Help us help you. By posting the year, make, model and engine near the beginning of your help request, followed by the symptoms (no start, high idle, misfire etc.) Along with any prevalent Diagnostic Trouble Codes, aka DTCs, other forum members will be able to help you get to a solution more quickly and easily!

Alternator Issues 98 Toyota Camry 2.2

  • Dtnel
  • Dtnel's Avatar Topic Author
  • Offline
  • Platinum Member
  • Platinum Member
More
4 years 7 months ago #50736 by Dtnel
98 Toyota Camry, 2.2, 163k miles. 

Old car I owned for a few yrs. Took myself down the rabbit hole accidentally. Back story is my immigrant neighbors let the battery die, tried jumping it then one day asked me to look at it. I tried jumping it there was a crank, no start. 

The owner kept yelling fuel pump,literally! I finally went and worked on it at five in the morning when I knew he wasn’t around because it’s just across my driveway. I thought about checking the fuse but then I said I’ll check the fuel pump using the power probe. Hooked the power probe up to my vehicle and grounded the power probe to the fuel pump ground and hook the positive up, gave it power and she spun. Next step, I decided well maybe I should go back and check the fuse. Lo and behold it was the fuse so I put a fuse in. Noticed the headlights were dim so I decided to check the charging system. Alternator was only putting out 9.8 V or something like that. Check for ground and alternator and power at the alternator. I knew the battery was good because I had loaned him my charger and extension cord two days prior as it had a dead battery and he kept thinking he needed a new battery but when I had jumped it two months prior when it wasn’t starting then it had a different battery which was a Walmart battery and now it had a interstate battery in it. I told him there was no need to throw the AutoZone battery in there because somebody had replaced it.

this was all before the fuel pump was tested and the fuse was found, the talk about the battery. So after I found a bad 15 amp fuse I replaced it and voila The vehicle started. Anyways changed The alternator out, started it and everything seemed fine. I went and checked the alternator and had the same reading so then I started scratching my head. I went down the rabbit hole I told myself. This Hass to be the case.


so I got my multimeter out and started probing fuses under the dash checking for resistance to see if they were blown or not. I stopped counting and checking out about six or seven fuses. My thought is they went and hook the battery up in reverse with the key on possibly?


I will try to uphold the wiring diagram because this is where I’m a little rusty on my skills. I will say I did try pulling the big alternator fuse with a pair pliers to see and check it on the back side and come to find out somebody else and hold it up just because the house and it sits in was loose and then I noticed it was bolted on underneath. Is there an easy way to check that big alternator fuse other than unbolting it on the bottom side? Luckily I didn’t break it trying to check it. 


could it be possible that they hook the power up in reverse and it blew the fuses first then a fusible link? I’m trying to put my head together and say OK being that there’s no dash lights, no AC and stuff like that I need to find a common denominator in the power supply and check for powers and grounds at that location. That’s where I fall a little short and I will admit the electrical is an always my strong suit. Especially when it comes down to where they are. I have the diagrams I get certain things just sometimes I overthink it.


what would you guys check and where would you check to check this? 


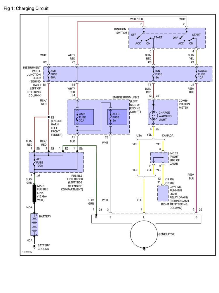
Looking at the large alternator fuse at the front of the engine fuse box panel how do you determine if it’s blown. 

Is it really possible that I’m getting this many blown fuses? 

Also if the alternator being new is good indeed then regardless of fusible links, fuses, etc shouldn’t I be getting more than 9.9volts I believe it was at the alternator with the positive on the single wire post and the ground grounded to the alternator, engine block below or even the ground at the battery or any other grounded location for that matter or does something have to trigger the alternator internally before it’ll produce proper voltage, exciter wire possibly, I think I read in a online search? Just has me scratching my head on this one. 


Diagrams will be attached if possible. 

 

File Attachment:

File Name: PrinterFri...View.PDF
File Size:82 KB




 

Please Log in or Create an account to join the conversation.

  • Dtnel
  • Dtnel's Avatar Topic Author
  • Offline
  • Platinum Member
  • Platinum Member
More
4 years 7 months ago #50737 by Dtnel
Replied by Dtnel on topic Alternator Issues 98 Toyota Camry 2.2

Please Log in or Create an account to join the conversation.

More
4 years 7 months ago #50739 by jreardon
Replied by jreardon on topic Alternator Issues 98 Toyota Camry 2.2

Looking at the large alternator fuse at the front of the engine fuse box panel how do you determine if it’s blown. 


 


Take some voltage measurements at the plug too and report back if anything's weird. If you have no voltage, back track to the fuse and check there.

The following user(s) said Thank You: Dtnel

Please Log in or Create an account to join the conversation.

  • Dtnel
  • Dtnel's Avatar Topic Author
  • Offline
  • Platinum Member
  • Platinum Member
More
4 years 7 months ago #50740 by Dtnel
Replied by Dtnel on topic Alternator Issues 98 Toyota Camry 2.2
After some more digging & familiarity with finding things now I found the fuse boxes with associations. Guess if u used it every day I’d probably remember more.


Also I haven’t hooked a scan tool to it as don’t want to take a chance of ruining something as fuses have been blown, alternator not outputting proper voltage so don’t want to chance it. I do have a obd link Mx or something like that and a blue driver so maybe I can try that. 

This car was in excellent shape, ran great, etc no problems besides rust on wheel wells when we sold it to them 3 or so years ago. 


pdf attachment is about 16pgs or so long. wonder why it only shows PDF link rather than pages within it even when I use the insert function on the forum editor?




 

File Attachment:

File Name: PrinterFri...iew1.pdf
File Size:4,343 KB

  

Please Log in or Create an account to join the conversation.

  • Dtnel
  • Dtnel's Avatar Topic Author
  • Offline
  • Platinum Member
  • Platinum Member
More
4 years 7 months ago #50741 by Dtnel
Replied by Dtnel on topic Alternator Issues 98 Toyota Camry 2.2
Thanks will do. I do this stuff at night so owners aren’t breathing over my shoulder. Lol…

Please Log in or Create an account to join the conversation.

More
4 years 7 months ago #50742 by jreardon
Replied by jreardon on topic Alternator Issues 98 Toyota Camry 2.2
There are going to be harness side reading btw.

Please Log in or Create an account to join the conversation.

  • Dtnel
  • Dtnel's Avatar Topic Author
  • Offline
  • Platinum Member
  • Platinum Member
More
4 years 7 months ago #50743 by Dtnel
Replied by Dtnel on topic Alternator Issues 98 Toyota Camry 2.2
In ref to your reply 4got to mention that add battery voltage is 12.3 V. The voltage is still the same when the vehicle is running but drops about 2/10 when I turn the headlights on. When I measure voltage at the alternator and ground on the alternator housing or on the battery negative post I was getting 9.9ish. I’ll take photos tonight and that’s what I recall from last night. I will check the wires on the plug as well as you posted. That’s a good reference to have with that rock auto diagram I didn’t know they had them.

Thanks again…

Please Log in or Create an account to join the conversation.

  • Dtnel
  • Dtnel's Avatar Topic Author
  • Offline
  • Platinum Member
  • Platinum Member
More
4 years 7 months ago #50761 by Dtnel
Replied by Dtnel on topic Alternator Issues 98 Toyota Camry 2.2
Here’s what I’ve found. Bout to dive under dash and check fuses from when I checked with Ohmmeter the other day it indicated bad fuses. 

See attached photo for readings @ alternator. 

Please Log in or Create an account to join the conversation.

  • Dtnel
  • Dtnel's Avatar Topic Author
  • Offline
  • Platinum Member
  • Platinum Member
More
4 years 7 months ago - 4 years 7 months ago #50763 by Dtnel
Replied by Dtnel on topic Alternator Issues 98 Toyota Camry 2.2

Looking at the large alternator fuse at the front of the engine fuse box panel how do you determine if it’s blown. 






 


Take some voltage measurements at the plug too and report back if anything's weird. If you have no voltage, back track to the fuse and check there.


These are the voltage readings at the battery, at the alternator plug with the alternator plug unplugged using a 4mm plug fine needle probe plugged into the multimeter wire harness.  
 
Last edit: 4 years 7 months ago by Dtnel. Reason: Posted photo twice by accident... Lol...

Please Log in or Create an account to join the conversation.

More
4 years 7 months ago #50765 by jreardon
Replied by jreardon on topic Alternator Issues 98 Toyota Camry 2.2
3.6V on the IG wire's bad. Check the Gauge fuse with a test light. If it lights up nice and bright there, the problem's between that fuse and the IG wire to alt. You can also just jumper a fused wire (temp fix) to this IG wire and see if the alt will kick on.

Please Log in or Create an account to join the conversation.

  • Dtnel
  • Dtnel's Avatar Topic Author
  • Offline
  • Platinum Member
  • Platinum Member
More
4 years 7 months ago - 4 years 7 months ago #50766 by Dtnel
Replied by Dtnel on topic Alternator Issues 98 Toyota Camry 2.2
jreardon post=50765
[3.6V on the IG wire's bad. Check the Gauge fuse with a test light. If it lights up nice and bright there, the problem's between that fuse and the IG wire to alt. You can also just jumper a fused wire (temp fix) to this IG wire and see if the alt will kick on.]




That was probing very carefully from the front of the plug on the wire. 

Think a relay could possibly be bad? 

Can partial voltage get thru if a fusible link is bad? 

I seen the message about voltage at the alternator not being there if fuse is bad but the voltage drops. Resistance between positive post on alternator and positive post on battery is at 0 though so has me stumped. 

Those fuses I thought was bad checking them with a multimeter the other night, I pulled all ld them in the kick panel below the steering column 11at a time and the fuses visually looked fine. 

Yet the hvac, radio, instrument panel cluster (checked dimmer switch) don't turn on. 

When you turn the key forward to start the air bag and seatbelt light in lower center of dash don't work. 

Also no mileage in the mileage display. 

Wish I'd knew what they did to it. When they actually need it, now then they're in a hurry for it. 

Wanting to roll dice and bet a relay. Guess I'll get my relay checker out. Just need to pull diagram back out and mark all the relays though I'll start with obvious ones in engine compartment fuse box. 

Something is up though as why was the fuel pump fuse blown? That leads me down the road that with the key on possibly they jumped, reverse hooked it up, installed batter improperly or something then either had the key in the on position or turned it on and blew the fuse. 

IS the fusible link displayed in the wiring diagram actually a wire fusible link or a fuse itself?

IF a wire is it going to be right beyond the battery positive positive cable where there's a smaller wire with a eyelet on it that goes into the wire loom and disappears into the black depth of the dark wire looms? 

Think I'll go hunt the relay tester down. Bought it quite awhile back so might as well use it unless I stumble across my relay buddy first. Which one will it be. 

I should sit down and see if the simulator box I picked up awhile back from AES wave could simulate a voltage. Can't recall off the top of my head so better to know for sure than guess. 
.Finally get to use electrical tools I've been hanging onto for some time now. 

Thinking about the relay buddy I saw Paul had posted that AES was reworking it. Wonder if it'll be better or not as if so maybe sell the one I have, new & unused or use it and wait and see. Could still sell the one I have slightly used though. 
Last edit: 4 years 7 months ago by Dtnel. Reason: Errors on quote....

Please Log in or Create an account to join the conversation.

More
4 years 7 months ago #50768 by jreardon
Replied by jreardon on topic Alternator Issues 98 Toyota Camry 2.2

I seen the message about voltage at the alternator not being there if fuse is bad but the voltage drops. Resistance between positive post on alternator and positive post on battery is at 0 though so has me stumped. 

An  ohm meter will find an open fuse but it's not the right tool for finding unwanted resistance on a cable that's meant to handle upwards of 100 amps. So a resistance reading of zero just means the wire's not chopped in half lol, doesn't tell you if it good for starting a car with or charging a low battery.

You are right there's voltage drop on the alt cable. With the car off and the cable unbolted from the alternator, what's the voltage reading? Is it the same if you hook it back up?
 

Please Log in or Create an account to join the conversation.

  • Dtnel
  • Dtnel's Avatar Topic Author
  • Offline
  • Platinum Member
  • Platinum Member
More
4 years 7 months ago #50805 by Dtnel
Replied by Dtnel on topic Alternator Issues 98 Toyota Camry 2.2
 


Looking at the fuse when working on this something told me something wasn't right. Also we had readings that basically told us what we've always been led to know that's apparently the fuse was good because we were getting voltage readings. Knowing what I know now instead of wrapping a couple hours into this I should have pulled the alternator fuse and checked resistance. It was a big lesson learn because when I pulled the alternator fuse and check resistance we had all types of resistance. Checked it against a new alternator fuse in the package by piercing a small pin hole through each side and use them back probe connectors to check and make sure I was getting a different reading off the fuse in the package before I opened it. The old alternator fuse had it where you had to actually remove the screws. The new alternator fuse you can push down in with the screws loose and then tighten down the screws on each side were they bolt in. I will try to dig up a picture of the fuse because looking at it afterwards it makes sense even though I had a voltage reading. 

 I had actually seen this neighbor on a couple different occasions trying to start it, the car to which they couldn't get it started. With the fuse being blown it makes sense because the fuse blowing protects the system though it did take out the fuel pump fuse as well. Once I installed the new alternator fuse I gained all accessories, heating and air conditioning, tail lights, brakes, windshield wipers, door locks, electric windows and any other accessories that weren't working. 

 I will chalk this up as going with my instinct to begin with which was to pull that fuse initially but reading your post it made sense so I didn't want to go down the rabbit hole again like I did on the alternator. Luckily for me and them I was able to get that alternator warrantied. It was a Remy remanufactured alternator. 

 

The lower left fuse is listed as CDS in the fuse box. When I removed the fuse only 1 spade was sticking up into the housing. Wonder if "CDS" was a option that was an added on this vehicle? The lower right fuse however did have two Spades coming up into the fuse. 

 makes me wonder if this fuse box was replaced at one time and it's life or another. 

 
The following user(s) said Thank You: jreardon

Please Log in or Create an account to join the conversation.

More
4 years 7 months ago #50809 by jreardon
Replied by jreardon on topic Alternator Issues 98 Toyota Camry 2.2
Nice find :) That low reading at the alternator post had me thinking maybe you didn't scratch into the surface good enough, or the diode in the alternator was blown, lol. Which didn't make sense since you didn't complain of a battery draw or anything.

I think we can both agree that the voltage drop was from your meter. That must have been super high resistance to cause a voltage drop like that. Where exactly on the fuse was this resistance if you don't mind my asking?

Please Log in or Create an account to join the conversation.

  • Dtnel
  • Dtnel's Avatar Topic Author
  • Offline
  • Platinum Member
  • Platinum Member
More
4 years 7 months ago #50810 by Dtnel
Replied by Dtnel on topic Alternator Issues 98 Toyota Camry 2.2
Same and different multimeter after replacing fuse the batt large cable stud on Alt was reading same as battery with fuse replaced.

Just didn't get why it was reading different with the fuse blown.

I did notice under where the fuse bolts in there was another black wire bolted up on each side adjacent to the Alt fuse bolt in location.

Can't remember which had what color where but there was a black w/red stripe and black w/blue stripe I believe if I remember the colors correctly. The adjacent one would be in the empty slot below where a fuse would be. Wonder if the extra 2 post slots were tied in somehow.

I'd have to go back and look and with this car I don't want to. It's one of those cars that once I sold it I learned not to sell to your neighbors as they want you to fix things and fix them cheap. I did stand my ground the other night when the owners wife rolled up and started questioning me in a rather aggressive manner.

I let her know I was doing them a favor by cutting them a deal and said it could go 2 ways, I leave or I stay and finish and be left alone.

She changed her attitude and after a couple calm minutes went on about her business.
The following user(s) said Thank You: jreardon

Please Log in or Create an account to join the conversation.

More
4 years 7 months ago #50811 by jreardon
Replied by jreardon on topic Alternator Issues 98 Toyota Camry 2.2

I'd have to go back and look and with this car I don't want to.
All good :) I'm happy this car's fixed by someone knowledgeable like you. No doubt you're one of a handful of good mechanics near this rather delightful /s neighbor, lol

Please Log in or Create an account to join the conversation.

Time to create page: 0.423 seconds