Help us help you. By posting the year, make, model and engine near the beginning of your help request, followed by the symptoms (no start, high idle, misfire etc.) Along with any prevalent Diagnostic Trouble Codes, aka DTCs, other forum members will be able to help you get to a solution more quickly and easily!
Re:Re:Re:Re:Re:Re:Help Help P0032 FIXED!!!!!
- Mariowinax1
-
Topic Author
- Offline
- Senior Member
-
Less
More
- Posts: 72
- Thank you received: 0
4 years 8 months ago #48479
by Mariowinax1
Replied by Mariowinax1 on topic Re:Re:Re:Re:Re:Help Help P0032
Its AFR sensor
Apart from power 12v from the IPDM to the sensor all other three is connected from and to ECM to 02 sensor
Sent from my VS995 using Tapatalk
Apart from power 12v from the IPDM to the sensor all other three is connected from and to ECM to 02 sensor
Sent from my VS995 using Tapatalk
Please Log in or Create an account to join the conversation.
- Mariowinax1
-
Topic Author
- Offline
- Senior Member
-
Less
More
- Posts: 72
- Thank you received: 0
4 years 8 months ago #48480
by Mariowinax1
Replied by Mariowinax1 on topic Re:Re:Re:Re:Re:Help Help P0032
Please Log in or Create an account to join the conversation.
- Mariowinax1
-
Topic Author
- Offline
- Senior Member
-
Less
More
- Posts: 72
- Thank you received: 0
4 years 6 months ago #49487
by Mariowinax1
Replied by Mariowinax1 on topic Re:Re:Re:Re:Re:Help Help P0032
How do I check the heater control wire amps with a basic multimeter ?
Yes is true as per your input; at start up with the heater control wire probed its move from 12v and modulate and get stuck at 0.11v (it will not change again)
With regards to the ecm I replaced with a new one but still fault still exist .
If ECM is ok, Wideband sensor is ok, signals wires + and - has correct reading and power feed 12v is good all from the ecm to the sensor harness, then obviously the problem lies with the heater control wire.
Please help with checking the amps with a multimeter.
Sent from my SM-G965F using Tapatalk
Yes is true as per your input; at start up with the heater control wire probed its move from 12v and modulate and get stuck at 0.11v (it will not change again)
With regards to the ecm I replaced with a new one but still fault still exist .
If ECM is ok, Wideband sensor is ok, signals wires + and - has correct reading and power feed 12v is good all from the ecm to the sensor harness, then obviously the problem lies with the heater control wire.
Please help with checking the amps with a multimeter.
Sent from my SM-G965F using Tapatalk
Please Log in or Create an account to join the conversation.
- Chad
-
- Offline
- Moderator
-
- I am not a parts changer.
Less
More
- Posts: 2129
- Thank you received: 715
4 years 6 months ago - 4 years 6 months ago #49492
by Chad
"Knowledge is a weapon. Arm yourself, well, before going to do battle."
"Understanding a question is half an answer."
I have learned more by being wrong, than I have by being right.
Replied by Chad on topic Re:Re:Re:Re:Re:Help Help P0032
How do I check the heater control wire amps with a basic multimeter ?
Please help with checking the amps with a multimeter.
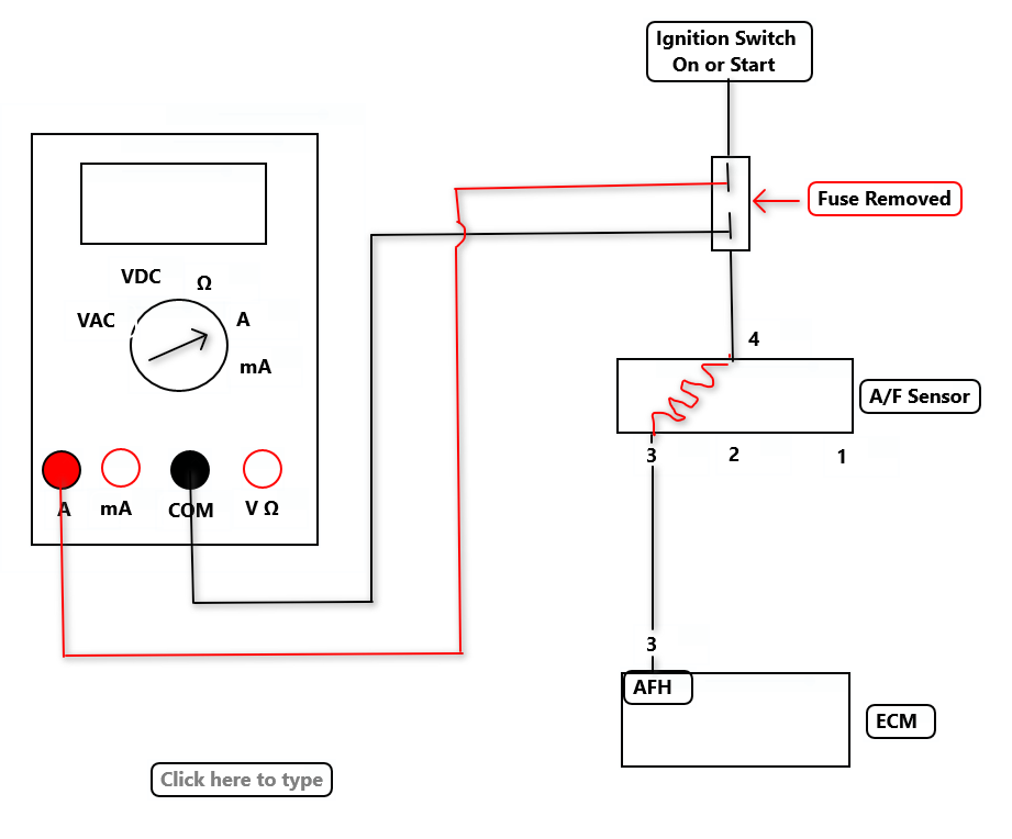
Since amperage can be measured on either side of the circuit, Power or Ground, I would pull the Heater fuse, and measure current from there. Configure your meter test leads to utilize the Ammeter port. With the fuse removed touch the RED lead to one side of the fuse socket, and touch the BLACK lead to the other side. Current will flow into your meter though the RED lead, and out the BLACK lead. You are, essentially, removing the fuse and replacing it with your meter. (If you connect the leads backwards, don't worry. Your reading will be accurate, but with a Negative (-) symbol).
"Knowledge is a weapon. Arm yourself, well, before going to do battle."
"Understanding a question is half an answer."
I have learned more by being wrong, than I have by being right.
Last edit: 4 years 6 months ago by Chad.
The following user(s) said Thank You: Mariowinax1
Please Log in or Create an account to join the conversation.
- Mariowinax1
-
Topic Author
- Offline
- Senior Member
-
Less
More
- Posts: 72
- Thank you received: 0
4 years 6 months ago #49548
by Mariowinax1
Replied by Mariowinax1 on topic Re:Re:Re:Re:Re:Re:Help Help P0032
Thanks
Checked them, they are within specs
What controls the heater control/ pwm wire ?
In other words what does the pcm want to see before grounding the power feed for the afr sensor with sensor plugged and engine running?
Sent from my SM-G965F using Tapatalk
Checked them, they are within specs
What controls the heater control/ pwm wire ?
In other words what does the pcm want to see before grounding the power feed for the afr sensor with sensor plugged and engine running?
Sent from my SM-G965F using Tapatalk
Please Log in or Create an account to join the conversation.
- Mariowinax1
-
Topic Author
- Offline
- Senior Member
-
Less
More
- Posts: 72
- Thank you received: 0
3 years 3 months ago #58243
by Mariowinax1
Replied by Mariowinax1 on topic Re:Re:Re:Re:Re:Re:Help Help P0032 FIXED!!!!!
Almost two years, i just fixed the problem!!
I had mistakenly switch the two signal wires coming from the PCM to sensor harness opposite.
Found and switch it back, P0032/ P0031 gone and AF sensor is switching good.
Thanks for everyone aid
I had mistakenly switch the two signal wires coming from the PCM to sensor harness opposite.
Found and switch it back, P0032/ P0031 gone and AF sensor is switching good.
Thanks for everyone aid
Please Log in or Create an account to join the conversation.
Time to create page: 0.271 seconds