Help us help you. By posting the year, make, model and engine near the beginning of your help request, followed by the symptoms (no start, high idle, misfire etc.) Along with any prevalent Diagnostic Trouble Codes, aka DTCs, other forum members will be able to help you get to a solution more quickly and easily!

2013 Dodge Grand Caravan

  • Ryan.Gascho
  • Ryan.Gascho's Avatar Topic Author
  • Offline
  • New Member
  • New Member
More
5 years 10 months ago #40255 by Ryan.Gascho
2013 Dodge Grand Caravan was created by Ryan.Gascho
Hello, I'm working on a 2013 Grand Caravan (3.6L) with 3 trouble codes, customer complaint of running rough.

The codes are as follows
P0300 | Multiple Cylinder Misfire
P0152 | O2 Sensor 2/1 Circuit High
P0175 | Fuel System 2/1 Rich

So looking at these codes I figured I should look at the Oxygen sensor first, so I do my resistance check (to verify the heater integrity) and then I verify it has it's 2.5V at the sensor ground for its bias voltage. All of that checks out good.

So I scope the sensor signal and I have a couple times that the signal drops breifly to around 1.5V which is way low for what it should be seeing as a lean condition should be 2.5V at the most.

The really weird thing I noticed was after shutting the vehicle off, but leaving the key in the on position I saw the voltage creeping upwards, coming to rest around 4V after a couple minutes.

What could be causing this?

I attached the scope captures I grabbed from the Triton D8 incase anyone else has some insight into it.

Thanks in Advance!
Attachments:

Please Log in or Create an account to join the conversation.

  • Tyler
  • Tyler's Avatar
  • Offline
  • Moderator
  • Moderator
  • Full time HACK since 2012
More
5 years 10 months ago #40257 by Tyler
Replied by Tyler on topic 2013 Dodge Grand Caravan
Hey Reddie 1337! Many thanks for including those scope captures. I took a screenshot of one section and marked it for reference:



When you're talking about seeing the signal drop briefly, you're talking about this part, correct? That's very likely to be ignition interference from the ignition coils. It doesn't matter if your scope or your leads were anywhere close to the coils- at a 50ms time base, you'll pick up all kinds of noise. ;) I wouldn't worry about it at all.

The fact that the O2 signal reads rich most of the time suggests the rich condition isn't a sensor problem, IMO. What are the trims doing at idle? Does the engine run significantly better in Open Loop?

What are the misfire counts in Mode $06?

If you haven't already, I strongly suggest doing a relative compression test before going much further. These engines eat cam lobes and roller followers like it's their job. And bank two is the one under recall, IIRC.
Attachments:

Please Log in or Create an account to join the conversation.

More
5 years 10 months ago - 5 years 10 months ago #40259 by Hardtopdr2
Replied by Hardtopdr2 on topic 2013 Dodge Grand Caravan
Personally I would attack the misfire portion first as misfires can cause o2 readings to skew check spark plugs for fouling/ bridged electode gap, ohm the coils primary and secondary sides, primary side waveform, check injector waveforms. Otherwise you can do wide open throttle snaps and disconecting a vac hose to see if o2 is stuck.
Last edit: 5 years 10 months ago by Hardtopdr2.

Please Log in or Create an account to join the conversation.

  • Ryan.Gascho
  • Ryan.Gascho's Avatar Topic Author
  • Offline
  • New Member
  • New Member
More
5 years 10 months ago #40262 by Ryan.Gascho
Replied by Ryan.Gascho on topic 2013 Dodge Grand Caravan
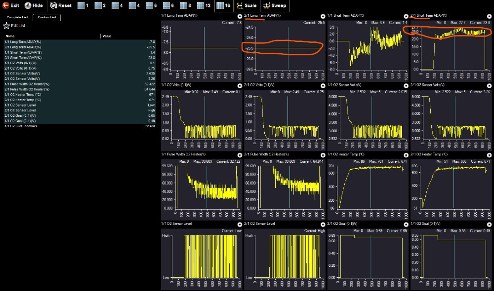
Alright, so I moved to a relative compression test, Mode 6 and the live data. Bank 2 is pegged at -24% fuel trim, 2,4,6 seem to all have misfires.

I have added the live data, mode 6 and the relative compression test.

I don't notice much on the compression test, but if there is something I missed, let me know.

In response to checking coils and such, they are under the intake manifold so it's difficult to run it and get reading, I guess I could try to follow where the wires are connected on an engine harness plug and watch there? I would assume the signal wouldn't be as good further away.

Very helpful advice, I am new to scoping, and relative compression testing, I have seen it done multiple times, but it was fun to do it myself. Luckily I am slow today, and I've had this time to play with it.
Attachments:

Please Log in or Create an account to join the conversation.

More
5 years 10 months ago #40263 by Hardtopdr2
Replied by Hardtopdr2 on topic 2013 Dodge Grand Caravan
In your scope of you do the guided component test icon it will show you the known good waveform with that test .... fyi

Please Log in or Create an account to join the conversation.

  • Tyler
  • Tyler's Avatar
  • Offline
  • Moderator
  • Moderator
  • Full time HACK since 2012
More
5 years 10 months ago - 5 years 10 months ago #40265 by Tyler
Replied by Tyler on topic 2013 Dodge Grand Caravan
Thanks for the data. :cheer:

The RC is tough to tell... Are you using a low amp probe? Maybe try retaking the same capture with a 500ms time base. That'll allow for more detail, and you can always hit the Zoom feature if you need to.

If you want, there's a bulk connector on the back of the front cylinder head that contains ALL the ignition coil control wires. All the injectors, too. This location is my first choice for testing injectors and coils on this engine.

Check out this thread for more info:

www.scannerdanner.com/forum/post-your-re...avan-3-6l-p0304.html
Last edit: 5 years 10 months ago by Tyler.

Please Log in or Create an account to join the conversation.

  • Chad
  • Chad's Avatar
  • Offline
  • Moderator
  • Moderator
  • I am not a parts changer.
More
5 years 10 months ago #40272 by Chad
Replied by Chad on topic 2013 Dodge Grand Caravan

Reddie1337 wrote: The really weird thing I noticed was after shutting the vehicle off, but leaving the key in the on position I saw the voltage creeping upwards, coming to rest around 4V after a couple minutes.

What could be causing this?


That is the Oxygen sensors cooling off.


"Knowledge is a weapon. Arm yourself, well, before going to do battle."
"Understanding a question is half an answer."

I have learned more by being wrong, than I have by being right. :-)
The following user(s) said Thank You: Noah

Please Log in or Create an account to join the conversation.

More
5 years 10 months ago #40273 by Cheryl
Replied by Cheryl on topic 2013 Dodge Grand Caravan
Have you tried a cam to crank correlation waveform just to check timing? But the pids are in scan data to desired vs actual I’d say

Please Log in or Create an account to join the conversation.

  • Chad
  • Chad's Avatar
  • Offline
  • Moderator
  • Moderator
  • I am not a parts changer.
More
5 years 10 months ago - 5 years 10 months ago #40276 by Chad
Replied by Chad on topic 2013 Dodge Grand Caravan

Reddie1337 wrote: Bank 2 is pegged at -24% fuel trim


At the same time, STFT is at +25%




Does it have an aftermarket O2 sensor?


Here's a video that might be relevant.

"Knowledge is a weapon. Arm yourself, well, before going to do battle."
"Understanding a question is half an answer."

I have learned more by being wrong, than I have by being right. :-)
Attachments:
Last edit: 5 years 10 months ago by Chad.

Please Log in or Create an account to join the conversation.

Time to create page: 0.339 seconds