*** Restricting New Posts to SD Premium Members ONLY *** (09 May 2025)
Just made a new account? Can't post? Click above.
Mitsubishi FTO misfire
- XJalalX
- 
            Topic Author 
- Offline
- New Member
- 
              
- Posts: 9
- Thank you received: 0
I have a mitsubishi FTO its a car that wasnt imported to the US its mostly known in UK
Its a 2.0 V6 coil on plug system with a waste spark for the back bank
So front bank 3 ignition coils with 3 wires and back bank goes with ignition leads
This car been left for like almost 2 years i tried to fix it i couldnt i tried alot and im still trying after awhile and i just cant find the problem almost 2 years i been trying i really wish it starts running again
Symptoms are:
Weak spark on first coil and second coil and third coil no spark
There is no signal coming from ecu to the third coil the otherd have signal the third one doesnt
What i tested:
12v feed on all 3 coils
Continuity with ground on all coils
Fuses
Continuity between the third coil signal wire to ecu
Fuel smell, so injectors firing
Cam Nd crank sensors signals available
About an rpm signal i cant say because it has digital odometer and its not turning on probably its not connected its an aftermarket one
Check engine light comes on when switch on and then goes off normally
Tested for codes: no codes
Parts replaced:
ECU
Engine wiring loom
Spark plugs
Cam sensor
Crank sensor
Ignition failure sensor
I hope someone helps me with this, thank you, i look forward for an answer!
Please Log in or Create an account to join the conversation.
- XJalalX
- 
            Topic Author 
- Offline
- New Member
- 
              
- Posts: 9
- Thank you received: 0
Please Log in or Create an account to join the conversation.
- XJalalX
- 
            Topic Author 
- Offline
- New Member
- 
              
- Posts: 9
- Thank you received: 0
Please Log in or Create an account to join the conversation.
- Noah
- 
              
- Offline
- Moderator
- 
              
- Give code definitions with numbers!
- Posts: 4927
- Thank you received: 1099
Since you say spark is weak in the first two coils and non existent on the third, I would load test the power ground at each of the coils with a headlamp bulb that pulls a few amps of current to ensure there isn't a problem with common ground or power supply.
"Ground cannot be checked with a 10mm socket"
Please Log in or Create an account to join the conversation.
- XJalalX
- 
            Topic Author 
- Offline
- New Member
- 
              
- Posts: 9
- Thank you received: 0
im checking coil signal not coil control from the ECU and i still had no signal there coming but the others had a signal and i also measured voltage on the signal wire that faulty signal wire had 0.70volts and the others had something like 0.3v, i still didnt test for control because i have no amp probe yet i will buy one though, i have picoscope,
Thank you.
Please Log in or Create an account to join the conversation.
- XJalalX
- 
            Topic Author 
- Offline
- New Member
- 
              
- Posts: 9
- Thank you received: 0
Please Log in or Create an account to join the conversation.
- XJalalX
- 
            Topic Author 
- Offline
- New Member
- 
              
- Posts: 9
- Thank you received: 0
Please Log in or Create an account to join the conversation.
- XJalalX
- 
            Topic Author 
- Offline
- New Member
- 
              
- Posts: 9
- Thank you received: 0
Please Log in or Create an account to join the conversation.
- Noah
- 
              
- Offline
- Moderator
- 
              
- Give code definitions with numbers!
- Posts: 4927
- Thank you received: 1099
Signal is what you get from a crank sensor, control is what's turning on and off a component.
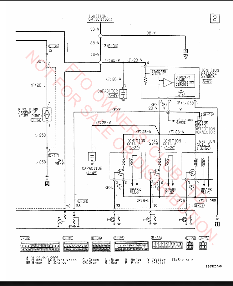
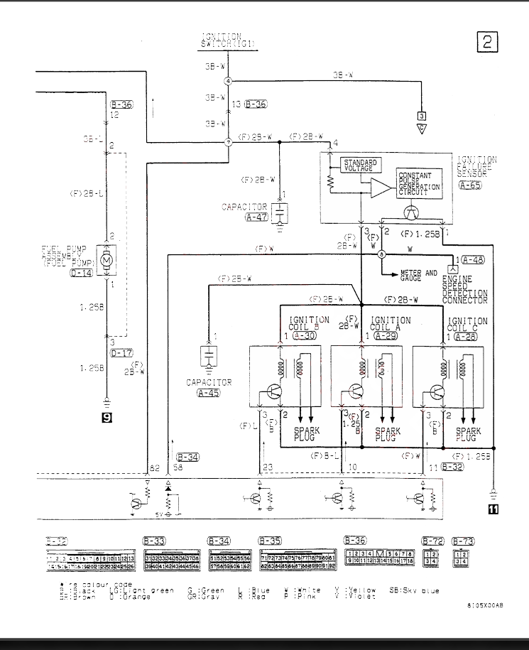
So according to your diagram, pin 3 of the ignition coils is control the circuit. This is where the computer is controlling the coil. This will have to be a rapidly changing voltage to turn the coil on and off each firing cycle.
I would expect something like a 5v square wave on the coil control wire, but I am unfamiliar with this car. That's why I was asking what the coil control circuit is doing on the coils that are producing spark versus the coil that is not to determine if the computer is trying to fire the coil.
"Ground cannot be checked with a 10mm socket"
Please Log in or Create an account to join the conversation.
- XJalalX
- 
            Topic Author 
- Offline
- New Member
- 
              
- Posts: 9
- Thank you received: 0
Please Log in or Create an account to join the conversation.
- XJalalX
- 
            Topic Author 
- Offline
- New Member
- 
              
- Posts: 9
- Thank you received: 0
Please Log in or Create an account to join the conversation.
- Noah
- 
              
- Offline
- Moderator
- 
              
- Give code definitions with numbers!
- Posts: 4927
- Thank you received: 1099
"Ground cannot be checked with a 10mm socket"
Please Log in or Create an account to join the conversation.
 
             
        