*** Restricting New Posts to SD Premium Members ONLY *** (09 May 2025)

Just made a new account? Can't post? Click above.

Help us help you. By posting the year, make, model and engine near the beginning of your help request, followed by the symptoms (no start, high idle, misfire etc.) Along with any prevalent Diagnostic Trouble Codes, aka DTCs, other forum members will be able to help you get to a solution more quickly and easily!

2002 Buick Century 3.1 Cranks no start

  • StepSide88
  • StepSide88's Avatar Topic Author
  • Offline
  • Senior Member
  • Senior Member
More
3 months 4 weeks ago #91994 by StepSide88
2002 Buick Century 3.1 Cranks no start was created by StepSide88
Going to start the thread with the scanner test that started me down this path.
Notice the Cam signal presence coming and going.
That's what started the journey.
Will follow up with more info about the car once thread is established.

Please Log in or Create an account to join the conversation.

  • StepSide88
  • StepSide88's Avatar Topic Author
  • Offline
  • Senior Member
  • Senior Member
More
3 months 4 weeks ago #91996 by StepSide88
Replied by StepSide88 on topic 2002 Buick Century 3.1 Cranks no start


NO JOY yet...how do you post  mp4 vid if YouTube won't connect? Arrrggggghhh

Please Log in or Create an account to join the conversation.

  • Noah
  • Noah's Avatar
  • Offline
  • Moderator
  • Moderator
  • Give code definitions with numbers!
More
3 months 4 weeks ago #91998 by Noah
Replied by Noah on topic 2002 Buick Century 3.1 Cranks no start
The best way to post a video is to upload to an external server (like you tube, Google drive etc), and post the link here.

"Ground cannot be checked with a 10mm socket"
The following user(s) said Thank You: StepSide88

Please Log in or Create an account to join the conversation.

  • StepSide88
  • StepSide88's Avatar Topic Author
  • Offline
  • Senior Member
  • Senior Member
More
3 months 4 weeks ago #92000 by StepSide88
Replied by StepSide88 on topic 2002 Buick Century 3.1 Cranks no start
Maybe after digesting it overnight YT will load the link🤞


This captured the one instant the cam signal was present and where I started.
More to follow if this loads..

Please Log in or Create an account to join the conversation.

  • StepSide88
  • StepSide88's Avatar Topic Author
  • Offline
  • Senior Member
  • Senior Member
More
3 months 4 weeks ago #92001 by StepSide88
Replied by StepSide88 on topic 2002 Buick Century 3.1 Cranks no start
Thanks Noah, I was trying to use the menu icon to upload rather than posting the link.

Please Log in or Create an account to join the conversation.

  • Tyler
  • Tyler's Avatar
  • Offline
  • Moderator
  • Moderator
  • Full time HACK since 2012
More
3 months 4 weeks ago #92002 by Tyler
Replied by Tyler on topic 2002 Buick Century 3.1 Cranks no start
Thank you for uploading the video. 

The thread title says crank no start, but it looks like you're encountering a start/stall based on the engine speed after startup. Does that sound correct?

Start/stall on this generation of GM makes me think there's a theft deterrent problem. What fault codes do you have stored in the PCM and BCM, if any?
The following user(s) said Thank You: Noah, StepSide88

Please Log in or Create an account to join the conversation.

  • StepSide88
  • StepSide88's Avatar Topic Author
  • Offline
  • Senior Member
  • Senior Member
More
3 months 4 weeks ago #92004 by StepSide88
Replied by StepSide88 on topic 2002 Buick Century 3.1 Cranks no start
 

Attachment not found

 

Attachment not found

 

Attachment not found


I took these in an effort to look at timing events and whether signal was present.

My main concern is the missing CMPSignal and whether the 3rd gear reading are somehow connected and preventing the ECU from completing the start condition needed.
Apologies for the strung out info. Getting info out of the 689 isn't that handy to navigate it seems.
Reports it generates.. yes, but data records not so much. Thus the screenshots of the timeline instead of the file itself.
Attachments:

Please Log in or Create an account to join the conversation.

  • StepSide88
  • StepSide88's Avatar Topic Author
  • Offline
  • Senior Member
  • Senior Member
More
3 months 4 weeks ago #92005 by StepSide88
Replied by StepSide88 on topic 2002 Buick Century 3.1 Cranks no start
Thanks for the reply.
That one start stall was the only true "start" its had and I did have a code for the theft fuel shut off but it was from having a fuse or relay removed. When replaced the codes went away.
Presently No Codes are showing and all the modules are communicating with the 689bt.
I have more vids and even some PICO files available but rather than blindly loading them would prefer to respond to questions with them if applicable.

Please Log in or Create an account to join the conversation.

  • Tyler
  • Tyler's Avatar
  • Offline
  • Moderator
  • Moderator
  • Full time HACK since 2012
More
3 months 4 weeks ago #92006 by Tyler
Replied by Tyler on topic 2002 Buick Century 3.1 Cranks no start

That one start stall was the only true "start" its had and I did have a code for the theft fuel shut off but it was from having a fuse or relay removed. When replaced the codes went away.


Understood. Just to make certain, I'd suggest checking the 'VTD Fuel Disable' and/or 'PCM/VCM in VTD Fail Enable' PIDs in the PCM during the no start. They should show inactive.

I have more vids and even some PICO files available but rather than blindly loading them would prefer to respond to questions with them if applicable.


No worries, I actually have a couple questions about your captures. Where are you connected for your blue 'cranksensor' trace? I'm having trouble matching your capture against known goods. Everything I can find shows the 3.1L in the Century using a 24X hall effect and a 7X variable reluctance setup. Your crank signal doesn't match either.

I also only see four compression events in a complete engine cycle, going off the #3 ignition trace and (I think) two crank revolutions.
The following user(s) said Thank You: Noah

Please Log in or Create an account to join the conversation.

  • StepSide88
  • StepSide88's Avatar Topic Author
  • Offline
  • Senior Member
  • Senior Member
More
3 months 4 weeks ago #92007 by StepSide88
Replied by StepSide88 on topic 2002 Buick Century 3.1 Cranks no start
   

Attachment not found

   More info...   
AllDataDIY EI diagnostic test results were pretty much the same as the FSM diagnostic test.

Please Log in or Create an account to join the conversation.

  • StepSide88
  • StepSide88's Avatar Topic Author
  • Offline
  • Senior Member
  • Senior Member
More
3 months 4 weeks ago #92008 by StepSide88
Replied by StepSide88 on topic 2002 Buick Century 3.1 Cranks no start
" I actually have a couple questions about your captures. Where are you connected for your blue 'cranksensor' trace? I'm having trouble matching your capture against known goods. Everything I can find shows the 3.1L in the Century using a 24X hall effect and a 7X variable reluctance setup. Your crank signal doesn't match either."
On that capture I don't remember if I was on the sensors, connector or back pinning the ECU. I'm thinking the ECU.  I've tried them all at one point or another.
The 7x is converted to the 3x tho I'm not sure if it's by the ECU or the ICM.
The timing is the question.. at one point it sounded like there was water in the cylinder and cranking against it self.
It was awful sounding.
Since then new spark plugs were installed after it was compression tested. 195psi across the board.
The old plugs were fouled.
I will check the pids you mentioned and report ba
I'll work on getting the Schematics to refer to but the PDF isn't allowed for some reason and the photos are too blurry to read.

Please Log in or Create an account to join the conversation.

  • StepSide88
  • StepSide88's Avatar Topic Author
  • Offline
  • Senior Member
  • Senior Member
More
3 months 4 weeks ago #92009 by StepSide88
Replied by StepSide88 on topic 2002 Buick Century 3.1 Cranks no start
Schematics.
Attachments:

Please Log in or Create an account to join the conversation.

  • StepSide88
  • StepSide88's Avatar Topic Author
  • Offline
  • Senior Member
  • Senior Member
More
3 months 4 weeks ago #92010 by StepSide88
Replied by StepSide88 on topic 2002 Buick Century 3.1 Cranks no start

Understood. Just to make certain, I'd suggest checking the 'VTD Fuel Disable' and/or 'PCM/VCM in VTD Fail Enable' PIDs in the PCM during the no start. They should show inactive.

The VTD and PCM pids requested  

If you were looking at the 360* lines I was just experimenting with the MicSig  at that point and more than anything else looking for signal verification on the circuit 


 

Please Log in or Create an account to join the conversation.

  • StepSide88
  • StepSide88's Avatar Topic Author
  • Offline
  • Senior Member
  • Senior Member
More
3 months 4 weeks ago #92011 by StepSide88
Replied by StepSide88 on topic 2002 Buick Century 3.1 Cranks no start
Ever feel like "yep... I'm that guy now" ?
Going back over things from the basics with the mornings slog of posting as hindsight I started with spark.pp
Yes the spark was present.
Then I remembered that I'd pulled the FP fuse to keep from washing down the cylinders.
That's when I looked closer at the relay box legend.
No 18
Parts store was a special order and a week out so checked Online.
Arrives Monday.. 

 

Please Log in or Create an account to join the conversation.

  • StepSide88
  • StepSide88's Avatar Topic Author
  • Offline
  • Senior Member
  • Senior Member
More
3 months 3 weeks ago #92034 by StepSide88
Replied by StepSide88 on topic 2002 Buick Century 3.1 Cranks no start
Swing and a miss.. no circuit actually present in that relay position. Must be for the 3800 (sad face)
Rechecking basics I now have good spark so looked at fuel and despite half a tank of gas and a fuel pump that responds to commands from scanner no joy at the rail.
New filter is in hand and waiting for installation.
Will post results when I get them.

Please Log in or Create an account to join the conversation.

  • StepSide88
  • StepSide88's Avatar Topic Author
  • Offline
  • Senior Member
  • Senior Member
More
3 months 3 weeks ago - 3 months 3 weeks ago #92040 by StepSide88
Replied by StepSide88 on topic 2002 Buick Century 3.1 Cranks no start
         
Ok here's how things sit 
Still no codes.
Compression 195+/-
New fuel filter installed and most of the old gas in the tank drained while I was at it.
Fuel pressure 55psi when commanded on then drops to 50psi and holds after the 2 second run time 
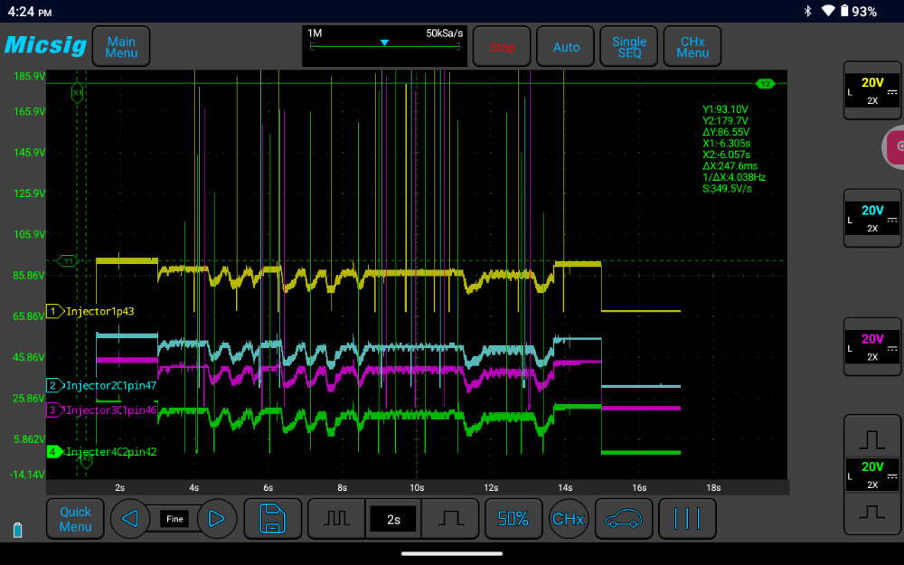
I pulled a plug and thought it looked dry so wanted to check the injectors but they are not* easy to access so went with back pins at the ECU.
I labeled the channels and took screenshots of the measurements of each channel isolated as well as including a combined shot catching the sequence 
At different times during testing today the engine turned over and sounded perfectly normal except for not firing then other times it sounds like crap like timing or plug wires are all mixed up.. that is evident on one of the combined screenshots (if I get it sorted out and posted notice the color order is way messed up.)

 
Any suggestions for what else to check would be greatly appreciated 
 
Last edit: 3 months 3 weeks ago by StepSide88. Reason: Removed a screenshot

Please Log in or Create an account to join the conversation.

  • Noah
  • Noah's Avatar
  • Offline
  • Moderator
  • Moderator
  • Give code definitions with numbers!
More
3 months 3 weeks ago #92042 by Noah
Replied by Noah on topic 2002 Buick Century 3.1 Cranks no start
Does it start on starting fluid?

"Ground cannot be checked with a 10mm socket"

Please Log in or Create an account to join the conversation.

  • StepSide88
  • StepSide88's Avatar Topic Author
  • Offline
  • Senior Member
  • Senior Member
More
3 months 3 weeks ago #92046 by StepSide88
Replied by StepSide88 on topic 2002 Buick Century 3.1 Cranks no start
That was milling around my brain last night but I had the intake 3/4 of the way off in order to check the injectors for flow before I realized that the antifreeze needed to be drained and other assorted stuff removed first and called a halt to that for the day.
After thinking about it I decided that checking flow was unnecessary so this AM put it back together but after watching a Trained By Techs YT vid about rechecking the basics decided to rechecked the plug wires and coils and found the problem there.🤦
Fired right up.

Now on to the next one.. a 91 F150 4.9l that dropped all electrical when hitting start last time out.
Naturally right after sorting out the fuel delivery problems (tank connector issue but included installing a new FP)

Please Log in or Create an account to join the conversation.

Time to create page: 0.363 seconds