Help us help you. By posting the year, make, model and engine near the beginning of your help request, followed by the symptoms (no start, high idle, misfire etc.) Along with any prevalent Diagnostic Trouble Codes, aka DTCs, other forum members will be able to help you get to a solution more quickly and easily!

2004 VW Beetle no crank/start

  • Paul6004
  • Paul6004's Avatar Topic Author
  • Offline
  • Senior Member
  • Senior Member
More
7 years 3 months ago #25483 by Paul6004
2004 VW Beetle no crank/start was created by Paul6004
This came in for not starting. The man on the job checked and saw a feed at the solenoid so replaced the starter.
The old starter tested bad on the bench. Now it won't crank. He removed an after market alarm and replaced the
neutral relay controlled by the AT because when it was bridged out the vehicle would start and run.
I scanned it and found code 00293 "Malfunction, trans range switch" and did some research and found this:

"You need to observe TCM measuring blocks group 001.
Shift through the gear positions from P to 1.
Display field should show the changes.
Display field 4 is eight binary positions. Pay attention to 5-8.
5 = 1 when R, N, D 3, 2
5 = 0 when P, 1
6 = 1 when P, R, 2, 1
6 = 0 when N, D, 3
If not, then you need to adjust the selector cable.
7 = 1 when P, R, N, D
7 = 0 when 3, 2, 1
8 = 1 when P, R, N
8 = 0 when D, 3, 2, 1"

I am getting:
P 0110
R 1110
N 1010
D 1010 ? neutral and drive both 1010.
3 1000
2 1100
1 0100
In live data on channel 001 the selector lever always shows as "D" even though the numbers change as I move through the range
I wonder about getting the same numbers for N and D but then P shows as being different so you would think it would still start in P?
Based on the site I found P should be 0111 and N should be 1011 and I'm not seeing either. If it was a matter of cable adjustment then surely I
would at least see the right numbers for N at some stage as I pass through that area.
When I hold in crank position I get 10000110.
I imagine the AT position switch is faulty but not 100% sure
Attachments:

Please Log in or Create an account to join the conversation.

More
7 years 3 months ago #25484 by Letounreau86
Replied by Letounreau86 on topic 2004 VW Beetle no crank/start
Have you checked connector/pins/wiring for physical damage/corrosion/ loose terminal tension. Ect.. and just to be certain.bthe vehicle started. Before starter replacement?

Please Log in or Create an account to join the conversation.

  • Paul6004
  • Paul6004's Avatar Topic Author
  • Offline
  • Senior Member
  • Senior Member
More
7 years 3 months ago - 7 years 3 months ago #25485 by Paul6004
Replied by Paul6004 on topic 2004 VW Beetle no crank/start
I had a look at the connector - apparently the guys also had an led test light jabbed in there as well.
Busy trying to locate another switch. I think the fact that park and neutral gave the same numbers is a big clue.
Attachments:
Last edit: 7 years 3 months ago by Paul6004.

Please Log in or Create an account to join the conversation.

More
7 years 3 months ago - 7 years 3 months ago #25488 by Letounreau86
Replied by Letounreau86 on topic 2004 VW Beetle no crank/start
From what I can tell the PNP relay recivess a ground on pin 6(grey/black) wire. And constant batt voltage on pin4 in start position(only) in the original post you mentioned when you jumped the PNP relay the vehicle started. Might have voltage drop somewhere on the supply side of the PNP relay or the ground from the grey black wire.
Attachments:
Last edit: 7 years 3 months ago by Letounreau86. Reason: Attachment

Please Log in or Create an account to join the conversation.

More
7 years 3 months ago #25489 by Letounreau86
Replied by Letounreau86 on topic 2004 VW Beetle no crank/start

Letounreau86 wrote: From what I can tell the PNP relay recivess a ground on pin 6(grey/black) wire. And constant batt voltage on pin4 in start position(only) in the original post you mentioned when you jumped the PNP relay the vehicle started. Might have voltage drop somewhere on the supply side of the PNP relay or the ground from the grey black wire.

Please Log in or Create an account to join the conversation.

  • Paul6004
  • Paul6004's Avatar Topic Author
  • Offline
  • Senior Member
  • Senior Member
More
7 years 3 months ago #25491 by Paul6004
Replied by Paul6004 on topic 2004 VW Beetle no crank/start
This relay is a bit more complicated. It needs a CAN signal from the automatic transmission.
Attachments:

Please Log in or Create an account to join the conversation.

  • Paul6004
  • Paul6004's Avatar Topic Author
  • Offline
  • Senior Member
  • Senior Member
More
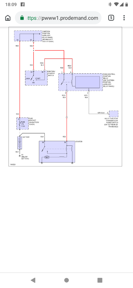
7 years 3 months ago #25492 by Paul6004
Replied by Paul6004 on topic 2004 VW Beetle no crank/start
Here is the wiring.
Attachments:

Please Log in or Create an account to join the conversation.

Time to create page: 0.372 seconds