*** Restricting New Posts to SD Premium Members ONLY *** (09 May 2025)
Just made a new account? Can't post? Click above.
Help us help you. By posting the year, make, model and engine near the beginning of your help request, followed by the symptoms (no start, high idle, misfire etc.) Along with any prevalent Diagnostic Trouble Codes, aka DTCs, other forum members will be able to help you get to a solution more quickly and easily!
UK Miata (MX5) NC - after engine change - starter cranks with key in AUX poition
- Adamk
-
Topic Author
- Offline
- New Member
-
Less
More
- Posts: 5
- Thank you received: 0
10 months 1 week ago #78399
by Adamk
UK Miata (MX5) NC - after engine change - starter cranks with key in AUX poition was created by Adamk
Hi all, I.m new to this forum and appreciate any help given.
I am UK based and have recently changed my NC Miata (MX5) engine. I have done this before - and last time went without a problem. This time was also smooth but when I connected it all up and turned the key to the first AUX postion it started cranking - without me turning the ket further. After about 4 seconds it cut off and it blew the number 19 15 Amp ENGINE fuse. And it does it every time. I have swapped over the relays. I don't think it is the starter - as it works - it's just getting its START command early on the key somehow. The ignition switch and wiring look okay - it's obviously getting a command from it - so I don't think it is that or the immobiliser - or key recognition. I have checked the 02 sensor wiring for chafing - incase it's grounding on the exhaust manifold.
It is really awkward to see the starter and the wiring around it - but I feel there must be a short somewhere around there. Perhaps part of the loom got pinched when I lowered the car onto the subframe. I can't say I remember anything out of the ordinary happening when the two were reunitied.
I therefore feel that the only way is to go through the hassle of lowering the engine again - that way I will be able to see the wiring around the starter.
Is that a premature thing to do? Any ideas about anything else I can try before that major surgery happens? I'm about to call a therapist.
Thanks for any help
Adam
I am UK based and have recently changed my NC Miata (MX5) engine. I have done this before - and last time went without a problem. This time was also smooth but when I connected it all up and turned the key to the first AUX postion it started cranking - without me turning the ket further. After about 4 seconds it cut off and it blew the number 19 15 Amp ENGINE fuse. And it does it every time. I have swapped over the relays. I don't think it is the starter - as it works - it's just getting its START command early on the key somehow. The ignition switch and wiring look okay - it's obviously getting a command from it - so I don't think it is that or the immobiliser - or key recognition. I have checked the 02 sensor wiring for chafing - incase it's grounding on the exhaust manifold.
It is really awkward to see the starter and the wiring around it - but I feel there must be a short somewhere around there. Perhaps part of the loom got pinched when I lowered the car onto the subframe. I can't say I remember anything out of the ordinary happening when the two were reunitied.
I therefore feel that the only way is to go through the hassle of lowering the engine again - that way I will be able to see the wiring around the starter.
Is that a premature thing to do? Any ideas about anything else I can try before that major surgery happens? I'm about to call a therapist.
Thanks for any help
Adam
Please Log in or Create an account to join the conversation.
- Monde
-
- Offline
- Elite Member
-
Less
More
- Posts: 220
- Thank you received: 43
10 months 1 week ago #78406
by Monde
Assuming is never a good thing.
Replied by Monde on topic UK Miata (MX5) NC - after engine change - starter cranks with key in AUX poition
What year is the vehicle? If you have a wiring diagram, please share it with us.
Assuming is never a good thing.
Please Log in or Create an account to join the conversation.
- Adamk
-
Topic Author
- Offline
- New Member
-
Less
More
- Posts: 5
- Thank you received: 0
10 months 1 week ago #78407
by Adamk
Replied by Adamk on topic UK Miata (MX5) NC - after engine change - starter cranks with key in AUX poition
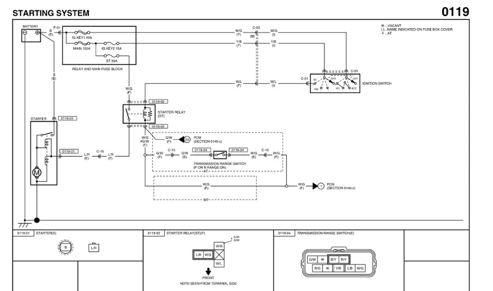
Hi - thanks for getting back. It's a 2010 - so I guess an NC2 or Mk 3.5. Manual. I've attached a starter circuit diagram.
Thanks Adam
Thanks Adam
Please Log in or Create an account to join the conversation.
- Monde
-
- Offline
- Elite Member
-
Less
More
- Posts: 220
- Thank you received: 43
10 months 1 week ago #78408
by Monde
Assuming is never a good thing.
Replied by Monde on topic UK Miata (MX5) NC - after engine change - starter cranks with key in AUX poition
The attachment is not there for some reason.
Assuming is never a good thing.
Please Log in or Create an account to join the conversation.
- Adamk
-
Topic Author
- Offline
- New Member
-
Less
More
- Posts: 5
- Thank you received: 0
10 months 1 week ago #78414
by Adamk
Replied by Adamk on topic UK Miata (MX5) NC - after engine change - starter cranks with key in AUX poition
Hi - I'll try again A
Please Log in or Create an account to join the conversation.
- Adamk
-
Topic Author
- Offline
- New Member
-
Less
More
- Posts: 5
- Thank you received: 0
10 months 1 week ago #78415
by Adamk
Replied by Adamk on topic UK Miata (MX5) NC - after engine change - starter cranks with key in AUX poition
Please Log in or Create an account to join the conversation.
- Monde
-
- Offline
- Elite Member
-
Less
More
- Posts: 220
- Thank you received: 43
10 months 1 week ago - 10 months 1 week ago #78452
by Monde
Assuming is never a good thing.
Replied by Monde on topic UK Miata (MX5) NC - after engine change - starter cranks with key in AUX poition
This is quite complicated. I'll let the professionals handle this.
The car runs before the swap, we should put the ignition switch at the back of the list. The 15 A fuse along with the wiper and the power window fuses ties into the feed going into the ignition relay. Do you still have wiper and power windows operation when the fuse blows?
The car runs before the swap, we should put the ignition switch at the back of the list. The 15 A fuse along with the wiper and the power window fuses ties into the feed going into the ignition relay. Do you still have wiper and power windows operation when the fuse blows?
Assuming is never a good thing.
Last edit: 10 months 1 week ago by Monde.
Please Log in or Create an account to join the conversation.
- Adamk
-
Topic Author
- Offline
- New Member
-
Less
More
- Posts: 5
- Thank you received: 0
10 months 1 week ago #78457
by Adamk
Replied by Adamk on topic UK Miata (MX5) NC - after engine change - starter cranks with key in AUX poition
Hi - yes lights, wipers, horn, radio etc all work
Thanks
A
Thanks
A
Please Log in or Create an account to join the conversation.
- Monde
-
- Offline
- Elite Member
-
Less
More
- Posts: 220
- Thank you received: 43
10 months 1 week ago - 10 months 1 week ago #78535
by Monde
Assuming is never a good thing.
Replied by Monde on topic UK Miata (MX5) NC - after engine change - starter cranks with key in AUX poition
I forgot to check ProDemand to see if I could get more info. I would know what the 15 A ECM fuse feeds. Maybe the 15A fuse that says Engine in the diagram that I refer to as the ECM fuse is not the ECM fuse. If you know what the ecm fuse feeds, you can ohm the side of the fuse that has zero volt( blown fuse) to ground and start disconnecting one after another until the meter reads a few ohms. With a short circuit, you will probably see less than 1 ohm.
Assuming is never a good thing.
Last edit: 10 months 1 week ago by Monde.
The following user(s) said Thank You: Adamk
Please Log in or Create an account to join the conversation.
Time to create page: 0.334 seconds