Help us help you. By posting the year, make, model and engine near the beginning of your help request, followed by the symptoms (no start, high idle, misfire etc.) Along with any prevalent Diagnostic Trouble Codes, aka DTCs, other forum members will be able to help you get to a solution more quickly and easily!
Ford Ranger OBD 1 Code 214 (cyl Id).
- JoeCarCareMinistryTech
-
Topic Author
- Offline
- New Member
-
Less
More
- Posts: 2
- Thank you received: 0
8 years 5 months ago #13928
by JoeCarCareMinistryTech
Ford Ranger OBD 1 Code 214 (cyl Id). was created by JoeCarCareMinistryTech
Hi Everyone,
I am a volunteer tech (I do this for free). My Church, located in GA has one of the largest Car Care Ministries in the Country! We have 5 lifts and a front end rack. We have only basics for diag equipment which makes it really tough for me as I do most of the diagnostics bc I have over 20 years as a tech. I can't work a job bc I have bone marrow cancer and at the Ministry I can control my hours, take naps etc. OK sorry for the long intro but wanted to share background basics. I do have an OTC Encore scanner care of my friend ETCG (Eric Cook) and OTC. I also have the old Snap on MT 2500 (brick). I am in desperately need of a scope/scanner and eventually subscription service eg IATN, Identifix.
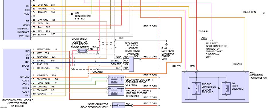
Current problem: 94 Ford Ranger with a PO 214 cyl ID code and 222 erratic circuit. The customer is a cancer patient and the last shop replaced the module kind of arbitrarily based on most frequent repair data. The cost wiped out the owners funds and didn't fix the problem. I towed the truck apx 40 miles with our wheel dollies and have about six hours between towing and diag. I have not captured any obvious sensor drop outs but the truck runs poorly and stalls occasionally. Still has code 214 and 222. It appears all values at the module are good but again I'm using old diag tools and can only read square waves on our donated 70's Snap On Counselor scope. I don't have current ramping capabilities and coils are also in play, they ohmed out OK but ohm test not conclusive. I am not a parts changer and we have to be good stewards of our donated funds. I have to make the right call especially considering the expense and labor intensive R&R of the CRKP sensor which is in play as possible problem but again did not give me anything I could call definitive enough to R&R. So what do you think my next move should be? BTW this is duel coil waste spark system.
With help I'll get better posting my questions and I truly am very grateful for your patience and input.
Joe, McEachern United Methodist Care Car Ministry
I am a volunteer tech (I do this for free). My Church, located in GA has one of the largest Car Care Ministries in the Country! We have 5 lifts and a front end rack. We have only basics for diag equipment which makes it really tough for me as I do most of the diagnostics bc I have over 20 years as a tech. I can't work a job bc I have bone marrow cancer and at the Ministry I can control my hours, take naps etc. OK sorry for the long intro but wanted to share background basics. I do have an OTC Encore scanner care of my friend ETCG (Eric Cook) and OTC. I also have the old Snap on MT 2500 (brick). I am in desperately need of a scope/scanner and eventually subscription service eg IATN, Identifix.
Current problem: 94 Ford Ranger with a PO 214 cyl ID code and 222 erratic circuit. The customer is a cancer patient and the last shop replaced the module kind of arbitrarily based on most frequent repair data. The cost wiped out the owners funds and didn't fix the problem. I towed the truck apx 40 miles with our wheel dollies and have about six hours between towing and diag. I have not captured any obvious sensor drop outs but the truck runs poorly and stalls occasionally. Still has code 214 and 222. It appears all values at the module are good but again I'm using old diag tools and can only read square waves on our donated 70's Snap On Counselor scope. I don't have current ramping capabilities and coils are also in play, they ohmed out OK but ohm test not conclusive. I am not a parts changer and we have to be good stewards of our donated funds. I have to make the right call especially considering the expense and labor intensive R&R of the CRKP sensor which is in play as possible problem but again did not give me anything I could call definitive enough to R&R. So what do you think my next move should be? BTW this is duel coil waste spark system.
With help I'll get better posting my questions and I truly am very grateful for your patience and input.
Joe, McEachern United Methodist Care Car Ministry
Please Log in or Create an account to join the conversation.
- Chad
-
- Offline
- Moderator
-
- I am not a parts changer.
Less
More
- Posts: 2174
- Thank you received: 727
8 years 5 months ago #13969
by Chad
"Knowledge is a weapon. Arm yourself, well, before going to do battle."
"Understanding a question is half an answer."
I have learned more by being wrong, than I have by being right.
Replied by Chad on topic Ford Ranger OBD 1 Code 214 (cyl Id).
What engine does this '94 Ranger have?
"Knowledge is a weapon. Arm yourself, well, before going to do battle."
"Understanding a question is half an answer."
I have learned more by being wrong, than I have by being right.
Please Log in or Create an account to join the conversation.
- JoeCarCareMinistryTech
-
Topic Author
- Offline
- New Member
-
Less
More
- Posts: 2
- Thank you received: 0
8 years 5 months ago #13977
by JoeCarCareMinistryTech
Replied by JoeCarCareMinistryTech on topic Ford Ranger OBD 1 Code 214 (cyl Id).
Sorry I left that out...it is a 2.3L
It also has a code PO 222
I'm really thinking coil.
Thank you
It also has a code PO 222
I'm really thinking coil.
Thank you
Please Log in or Create an account to join the conversation.
- Chad
-
- Offline
- Moderator
-
- I am not a parts changer.
Less
More
- Posts: 2174
- Thank you received: 727
8 years 5 months ago #13979
by Chad
"Knowledge is a weapon. Arm yourself, well, before going to do battle."
"Understanding a question is half an answer."
I have learned more by being wrong, than I have by being right.
Replied by Chad on topic Ford Ranger OBD 1 Code 214 (cyl Id).
"Knowledge is a weapon. Arm yourself, well, before going to do battle."
"Understanding a question is half an answer."
I have learned more by being wrong, than I have by being right.
The following user(s) said Thank You: Noah, JoeCarCareMinistryTech
Please Log in or Create an account to join the conversation.
Time to create page: 0.352 seconds