Help us help you. By posting the year, make, model and engine near the beginning of your help request, followed by the symptoms (no start, high idle, misfire etc.) Along with any prevalent Diagnostic Trouble Codes, aka DTCs, other forum members will be able to help you get to a solution more quickly and easily!

P0140 99 Pontiac Montana Code 264,xxx miles

  • Dtnel
  • Dtnel's Avatar Topic Author
  • Offline
  • Platinum Member
  • Platinum Member
More
8 years 5 months ago - 8 years 5 months ago #13750 by Dtnel
99 Pontiac Montana 264k miles 3.4 l engine. I've had a few different codes on this vehicle regarding MAF and 2 other o2 sensor codes. I'm contemplating replacing both of the o2 sensors but want to diagnose it properly. The main code I've seen trouble with is p0140 randomly occuring more than the others which occurred 1 time and a transmission code which I saved but cleared and it never returned.

I want to be able to check the up, downstream and catalytic converter to make sure all are functioning properly.

My fuel trim numbers will be around a 0 and -25 at idle when warmed up but when I go to around 2500 rpm's it goes to around or close to zero , within 5 either way of zero which I've got the part that this is good but I know the -25 is off from the best of my understanding.

The upstream o2 sensor shows the typical up and down on the graph in the modis edge while the downstream moves from a gradual high to low then back up it seems.

I'll link a video I took with my phone of the screen on the modis. I made the video as I was making it with the intent of sending it to someone else so I'm speaking in it.

www.dropbox.com/sh/mxctr390pitf78f/AAAPh...qzn0fP_17UvgRja?dl=0


Being a newbie to the oscilloscope I need to know how to properly test the O2 sensors up and downstream so as not to ruin my scope or damage the vehicle. THERE'S a learning curve I'm trying to grasp with this and I feel once I get this I'll be on the right path for further component / parts testing.

I do have have video from the modis of the scan scaled down just to the o2 sensors and fuel trim and I also have the data from all the sensors if needed.

Where I have trouble is the waveform reading , doing the timebase settings and where to compare the results with known good results. Am I willing to do the tests, post the results if necessary, ask for help? Yes to all of the previous questions. That's what has got me where I am today, reading, learning, etc.

I've even read scannerdanner's "engine performance diagnostics" book which has taught me a great deal. Some things are hard at times for me to wrap my head around but I'm willing to learn.

Have I ever been to tech school ? No! Do I fix all my stuff? Yes and even sometimes seeking a little advice but you have to get things done and there's so much more left to learn that I'll let my question get posted now so I can learn some more.

Thanks in advance to all of you great people out there. That's what makes us all better, helping each other while gaining what others can't take from us, more knowledge.
Last edit: 8 years 5 months ago by Dtnel. Reason: Added information I forgot to put in to begin with and edited some of it.

Please Log in or Create an account to join the conversation.

  • Dtnel
  • Dtnel's Avatar Topic Author
  • Offline
  • Platinum Member
  • Platinum Member
More
8 years 5 months ago - 8 years 5 months ago #13751 by Dtnel
I added a Photo file that I uploaded to my laptop and took a screenshot of showing the MAF, Engine Load, o2 sensor data along with short and long term fuel trim from sitting at idle to also what happens when you go WOT from idle. IF you notice at idle the long term fuel trim sits at -30 while short term is at 0 .

The o2 sensor data numbers drop as well then rise back up.

IF needed I can upload the SCM file when I get back home later this evening if that would be of any help.

I did also realize I had other scm files from road tests and the previous codes that were present before the p0140 came about.

I'm having trouble finding the freeze frame record but I know I saved it.

It's easier for me to find the old data on the modis edge by going thru the files but it only allows me to see 50 of the last 114 which I think is odd as I'd like to view all the files on the tool unless there's a way I don't know of.

I'm going to try to attach a file of the screenshot of the data I pulled.





Attachments:
Last edit: 8 years 5 months ago by Dtnel. Reason: Added picture and information

Please Log in or Create an account to join the conversation.

  • Dtnel
  • Dtnel's Avatar Topic Author
  • Offline
  • Platinum Member
  • Platinum Member
More
8 years 5 months ago #13766 by Dtnel
I added a Photo to my previous post. Hopefully this will be of some help.

Please Log in or Create an account to join the conversation.

More
8 years 5 months ago - 8 years 5 months ago #13772 by Andy.MacFadyen
Replied by Andy.MacFadyen on topic P0140 99 Pontiac Montana Code 264,xxx miles
It looks like the engine is getting a shed load of extra fuel at idle/low engine loads which id being fully corrected by the long term fuel trim.
I think it is a genuine over fuel condition rather than a faulty upstream O2.

Is the temperature reading from the scantool in the normal warm range ie 75c to 105c if reading below 75c it could be cold start enrichment. If running temperature read Okay then I would also look at the manifold vacuum reading.
Beyond that assuming you don't have a dead cylinder at idle I would look for a faulty (leaking) fuel pressure regulator or an injector problem

It is quite difficult to harm an automotive oscilloscope , however normal lab scopes sometimes need extra protection when checking ignition primary and fuel injector circuits.

" We're trying to plug a hole in the universe, what are you doing ?. "
(Walter Bishop Fringe TV show)



Last edit: 8 years 5 months ago by Andy.MacFadyen.

Please Log in or Create an account to join the conversation.

  • Tyler
  • Tyler's Avatar
  • Offline
  • Moderator
  • Moderator
  • Full time HACK since 2012
More
8 years 5 months ago #13773 by Tyler
Hey Dtnel! For the record, when the Modis first came out, they DID let you look at all saved files. ;-) Even if you had 200+ saved. The problem was that it bogged down badly when you hit "View Saved Data", so Snappy introduced the 50 file limit in one of their updates.

I watched your videos, much appreciated. :cheer: Definitely a lack of activity going on. The signal only really goes 100 or 200mV lower or higher than 450mV, showing a lack of amplitude. Honestly, the behavior of the signal reminds me of a downstream sensor with a dead heater. :lol: The sensor will try to switch back and forth, but just can't do it. FYI, the heater circuits are NOT electrically monitored on this vehicle, so this is a possibility. For reference, here's some data I took off a known good 2003 Chevrolet Venture with the same 3.4L engine.



With the cat lit off (warmed up), the downstream sensor should generally hang out around 600-700mV, with rich and lean swings during load changes. I can supply more data off this Venture if you're interested.

If you wanted to be double sure that your downstream sensor isn't working, you can always pull the brake booster hose off. By introducing a big vacuum leak, you should be able to get both O2's to swing below 100mV, no problem. I'm guessing that your downstream won't be able to.

Thankfully, the wiring checks are pretty straightforward. ;-)



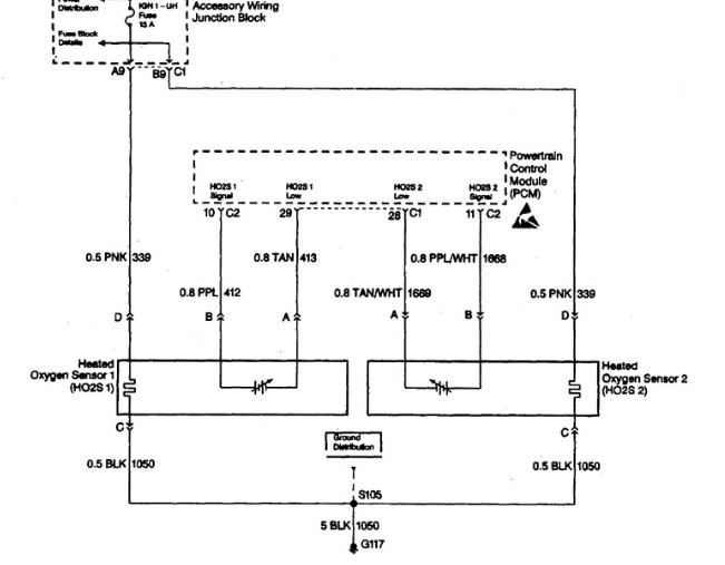
Pink should have 12V with the key on or running, black is a constant ground. Purple/white is the O2 signal, and tan/white is the sensor ground. For testing of the signal and ground, check out this video:

Attachments:

Please Log in or Create an account to join the conversation.

  • Dtnel
  • Dtnel's Avatar Topic Author
  • Offline
  • Platinum Member
  • Platinum Member
More
8 years 5 months ago #13790 by Dtnel
Andy, The Photo above is when I snap it to wide open throttle and it revs up and down and up and down.

I can't seem to find the Freeze Frame data from when the p0140 code set which would have been a separate deal then the photo taken above that I posted. I think I will get the component troubleshooter and do the checks on the other stuff that you mentioned as well.

Please Log in or Create an account to join the conversation.

  • Dtnel
  • Dtnel's Avatar Topic Author
  • Offline
  • Platinum Member
  • Platinum Member
More
8 years 5 months ago - 8 years 5 months ago #13799 by Dtnel
@Tyler thanks for your info as well. I'll try that this evening after I get my 30lbs of hamburger cooked for the teachers tomorrow.

If I do take it for a drive and let it warm up first what data would it be more important for me to only include on a test drive so it's not putting unnecessary data in a record from a test drive. I did note on this Pontiac Montana compared to my 98 Toyota Camry the data stream moves much quicker from connecting to recording it throughout a drive.

I'll have to find my test light as well because I liked that test in the video. From the sounds of the voice was that ScannerDanner himself as it showed a different website in the video? I'm guessing if it was him it was a post he made elsewhere getting shared back to his site. I really need to just start practicing with this scanner and that would probably make me more proficient than just reading up on stuff all the time as I'm a hands on person and after a few times I generally remember it from then on so it will take me a bit.

Could I do that same test he did with the test light with a power probe hook? That's the next best thing I have to a test light without getting a multimeter out?
Last edit: 8 years 5 months ago by Dtnel. Reason: Changed data

Please Log in or Create an account to join the conversation.

  • Tyler
  • Tyler's Avatar
  • Offline
  • Moderator
  • Moderator
  • Full time HACK since 2012
More
8 years 5 months ago #13800 by Tyler

Dtnel wrote: If I do take it for a drive and let it warm up first what data would it be more important for me to only include on a test drive so it's not putting unnecessary data in a record from a test drive. I did note on this Pontiac Montana compared to my 98 Toyota Camry the data stream moves much quicker from connecting to recording it throughout a drive.


Night and day difference, huh? :lol: You could probably watch 10 or 15 different PIDs on your Pontiac with no problem. The same ones you were watching before are perfect, but you could add a few other in if you wanted. ECT, MAP voltage, and EVAP Purge % are sometimes useful for diagnosing rich conditions.

If you're really interested in going in-depth with the scanner, you can monitor the O2's for heater operation the same way the PCM does. :cheer: This model uses a 'time to activity' test - on a cold startup, the PCM watches the O2 voltages carefully as the engine warms up. As the O2 heaters warm the sensors, the bias voltage of 450mV will gradually get pulled down to below 150mV or so, at which point the PCM knows the sensor is warmed up and ready to go. If the O2 signal doesn't go low within a set amount of time, it flags a code for the O2 heater. Chrysler used a very similar system on it's O2 heaters for many years:



After the car has sat overnight, turn the key on (don't start it), and watch both O2 signals. Both should start dropping lean after a minute or so. If one refuses to start dropping low, that's a sure sign of a dead heater. Here's an example of what you should see off a '99 Pontiac:



I'll have to find my test light as well because I liked that test in the video. From the sounds of the voice was that ScannerDanner himself as it showed a different website in the video? I'm guessing if it was him it was a post he made elsewhere getting shared back to his site.


Yep, that's Paul! That was one of his very early videos, back in 2011. I think he sounds that different because his production quality has improved so much over the years. :lol:

I really need to just start practicing with this scanner and that would probably make me more proficient than just reading up on stuff all the time as I'm a hands on person and after a few times I generally remember it from then on so it will take me a bit.

Could I do that same test he did with the test light with a power probe hook? That's the next best thing I have to a test light without getting a multimeter out?


You absolutely can use a PP Hook. Just disconnect the O2 and apply a ground to the O2 signal circuit. Watch the O2 voltage PID, as it should drop to zero with the ground applied.

OR, you can backprobe the O2 signal and ground circuits, and jumper them together. Again, the PID should show zero. This test will actually do double duty, as it'll prove out the signal circuit AND the signal ground. ;-) Just take care to probe the correct O2 pins.
Attachments:

Please Log in or Create an account to join the conversation.

  • Dtnel
  • Dtnel's Avatar Topic Author
  • Offline
  • Platinum Member
  • Platinum Member
More
8 years 5 months ago - 8 years 5 months ago #14069 by Dtnel
Did some poking around after swapping the rear O2 sensor. Still was acting the same. Reason I held off on upstream was I'm pretty sure I'm not going to be access the upstream sensor and I also think it's loading up as injector pushing to much fuel out because after I idle if I snap the throttle it's worse as in it sometime let's out a light backfire and seems as if it's sluggish to get the throttle going until it's through that and the rpms are at 2500 then with high rpms there's no sluggish.

Where it got worse was after I replaced not only the O2 sensor but the loading up came worse when I replaced the plastic portion of the PCV valve and went on ahead and slapped in a new PCV valve as I checked the movement of the one at the store versus the one I brought up the vehicle and the one I had on the vehicle was more sticky so to speak.

After I installed that PCV valve in the 90-degree boot to hook onto the pipe is where snapping the throttle made things worse and it was after the vehicle went into closed loop.

I did do a SCM file but that's another question I wanted to ask is I have the SCM file on my scan tool and can't put it onto my laptop and then how do I go about uploading the SCM file or are they files that are allowed to be uploaded to these forums where you guys can actually View the file in a format such as a video format or is there a way to add that file to some type of certain player and then link that to this forum to where you can click and watch a video of the scanner data instead of me having to use my phone to film the scanner.

One thought I had was I could always email the file to somebody and if they have Snap-on software they could probably view the file that way?

I do have a vacuum gauge coming tomorrow that I want to check the manifold vacuum on just to see if it's holding a vacuum something just doesn't seem right and this is part of me learning this stuff and getting more into it luckily I have a good group of people here to help me out and either me or all of us is going to learn something in the process which is great.

I'll keep an eye out for any replies. This is another one of those vehicles with 260 something thousand miles on it so it could be a multitude of things injectors and on and on. Even clean the throttle body up and even ran a little seafoam through the fuel tank and put some higher octane gas in it as the vehicle was near empty I didn't notice it has a fuel filter underneath the vehicle about Midway down the undercarriage in the center but on the driver side Center undercarriage of the vehicle in front of the fuel tanks. It could very well be another vacuum leak or a vacuum device not working properly as when I put the throttle down it seems like it wants to bog down


One other thing I did notice is if I go wide open throttle it's like it slams and goes back slams and goes back with the RPMs and it just sounds like it's flooding the engine there and it cuts in and cuts out but I thought I had read somewhere that some vehicles do that as a prevention.

Anyways I'll see what my experts here reply and get something else to try never too late to learn something new. Thanks for the help so far everyone.


Ps. Thought I would add that if I'm able to allow somebody to view the SCM file top of the motifs that maybe somebody will see something there that I'm not seeing that has to do with vacuum or voltage's or something like that as I left all of the parameters open to where they're all able to be seen
Last edit: 8 years 5 months ago by Dtnel. Reason: Added information...

Please Log in or Create an account to join the conversation.

  • Tyler
  • Tyler's Avatar
  • Offline
  • Moderator
  • Moderator
  • Full time HACK since 2012
More
8 years 5 months ago #14101 by Tyler
Unfortunately, the forums don't support uploading .SCM files directly. :-( One option is to e-mail them directly. If you have any captures of your van at WOT while cutting out, I'm happy to look at them. wrenchturnsyou@gmail.com

The other option is ScanShare.io . This is a fantastic site that allows scan data from multiple tool manufacturers to be uploaded and viewed by anyone. There's a paid option, but it's not required to upload and share data. As an example, here's the same capture I took a picture of earlier:

www.scanshare.io/share/4peoZuxnn0GiQL5s6h_5QQ

It's also great because anyone you share the link with doesn't need to have ShopStream Connect to view it. ;-)

Please Log in or Create an account to join the conversation.

  • Dtnel
  • Dtnel's Avatar Topic Author
  • Offline
  • Platinum Member
  • Platinum Member
More
8 years 5 months ago #14114 by Dtnel
Tyler thanks that's some very helpful information. I'll try to work on getting the scm file uploaded to one of those share sites as you suggested and I'm sure they have a way to share links or files that I can share back to where it it kind of like this video I just did on Dropbox.

Here's the link for the cheap man's version with no editing @ 1245 at night as I just go to mess with it when it peaks my interest. I will let you know that being it's 45 degrees out right now and when I posted about the loading up the other day it was in the 70's and the weather hasn't affected how it's ran.

As I stated in the video I need to find my vacuum testing gauge (full and messy unorganized house garage) The garage will soon be empty except auto and carpentry tools so I can organize things more and get the oversize 3rd stall built I want to get built if the bank will allow this coming winter/spring. The extra room will be nice.

Anyway here's the Dropbox link for a video a bit ago and thanks again for the information.

www.dropbox.com/s/moow9nj4zmodqdu/20171022_005103.mp4?dl=0

Please Log in or Create an account to join the conversation.

  • ScannerDanner
  • ScannerDanner's Avatar
  • Offline
  • Administrator
  • Administrator
  • Religion says do, Jesus says done!
More
8 years 5 months ago #14121 by ScannerDanner
Replied by ScannerDanner on topic P0140 99 Pontiac Montana Code 264,xxx miles
Remember that snapping the throttle will momentarily force an open loop condition, which will change your fuel trim data and zero them out like we saw. This doesn't help give us any direction at all and is why I do not look at fuel trim numbers unless the throttle is being held at a steady angle.
Your -25% LTFT at idle only is suggesting an actual rich condition. But I didn't like the backfire you mentioned on the snap throttle, if it was an intake backfire, this suggests a lean condition. (opposite what trim numbers are telling us).
Do me a favor and look at the MAF honeycomb screen, is it there? Make sure someone didn't remove it. Second, at idle, remove the fuel vapor line from the canister purge valve and plug it off with your finger, then recheck fuel trim. Third, I want to see your upstream O2 sensor a little more at idle and 2500.
Forth, check that engine for a head gasket failure. (Coolant seeping into the engine will contaminate the O2, and cause false rich signals, negative trims, and actual lean conditions (backfire through intake).

Don't be a parts changer!

Please Log in or Create an account to join the conversation.

  • Dtnel
  • Dtnel's Avatar Topic Author
  • Offline
  • Platinum Member
  • Platinum Member
More
8 years 5 months ago #14124 by Dtnel

ScannerDanner wrote: Remember that snapping the throttle will momentarily force an open loop condition, which will change your fuel trim data and zero them out like we saw. This doesn't help give us any direction at all and is why I do not look at fuel trim numbers unless the throttle is being held at a steady angle. .


Fuel trim does go to zero or close when held at a steady 2500rpm during closed loop.

[/quote]
Your -25% LTFT at idle only is suggesting an actual rich condition. But I didn't like the backfire you mentioned on the snap throttle, if it was an intake backfire, this suggests a lean condition. (opposite what trim numbers are telling us).
Do me a favor and look at the MAF honeycomb screen, is it there? Make sure someone didn't remove it. .[/quote]

I recall seeing the thin sensor wire looking thingy in there that you're not suppose to touch but will pull cover and check again as I don't recall seeing a honeycomb in there. Will try to get a picture as I'm stumped on whether it had it or not. I'm thinking not myself.

[Quote=
Second, at idle, remove the fuel vapor line from the canister purge valve and plug it off with your finger, then recheck fuel trim. Third, I want to see your upstream O2 sensor a little more at idle and 2500.
Forth, check that engine for a head gasket failure. (Coolant seeping into the engine will contaminate the O2, and cause false rich signals, negative trims, and actual lean conditions (backfire through intake).[/quote]

I will check that. It was a quart low on oil and oil change sticker showed 2015 as last oil change :( scary.....

Please Log in or Create an account to join the conversation.

  • Dtnel
  • Dtnel's Avatar Topic Author
  • Offline
  • Platinum Member
  • Platinum Member
More
8 years 5 months ago #14125 by Dtnel
Guess I forgot how to do the highlight and quote thing. Maybe it's time to get the laptop back out as I suffer with the quote issues on smartphone. I tried to separate it though.

Please Log in or Create an account to join the conversation.

  • Chad
  • Chad's Avatar
  • Offline
  • Moderator
  • Moderator
  • I am not a parts changer.
More
8 years 5 months ago - 8 years 5 months ago #14136 by Chad

Dtnel wrote: Guess I forgot how to do the highlight and quote thing. Maybe it's time to get the laptop back out as I suffer with the quote issues on smartphone. I tried to separate it though.


Begin a quote by putting the word "quote" inside brackets....[quot*]

"Knowledge is a weapon. Arm yourself, well, before going to do battle."
"Understanding a question is half an answer."

I have learned more by being wrong, than I have by being right. :-)
Last edit: 8 years 5 months ago by Chad.

Please Log in or Create an account to join the conversation.

  • Chad
  • Chad's Avatar
  • Offline
  • Moderator
  • Moderator
  • I am not a parts changer.
More
8 years 5 months ago #14137 by Chad
End the quote with...... [/quote]

Any thing in between will appear in " "

"Knowledge is a weapon. Arm yourself, well, before going to do battle."
"Understanding a question is half an answer."

I have learned more by being wrong, than I have by being right. :-)
The following user(s) said Thank You: Dtnel

Please Log in or Create an account to join the conversation.

Time to create page: 0.350 seconds