Help us help you. By posting the year, make, model and engine near the beginning of your help request, followed by the symptoms (no start, high idle, misfire etc.) Along with any prevalent Diagnostic Trouble Codes, aka DTCs, other forum members will be able to help you get to a solution more quickly and easily!

2015 toyota corolla altis sedan keyless entry

  • Baraka
  • Baraka's Avatar Topic Author
  • Offline
  • Junior Member
  • Junior Member
More
8 years 6 months ago - 8 years 6 months ago #13514 by Baraka
battery is perfectly okay,key fob lock and unlock doors but the instrument wont turn on when you hit the start/stop button
i need tricks on how to go about it
Attachments:
Last edit: 8 years 6 months ago by Baraka.

Please Log in or Create an account to join the conversation.

  • Chad
  • Chad's Avatar
  • Offline
  • Moderator
  • Moderator
  • I am not a parts changer.
More
8 years 6 months ago #13515 by Chad
Replied by Chad on topic 2015 toyota corolla keyless entry
Check ECU-B Fuse (10 amp)

"Knowledge is a weapon. Arm yourself, well, before going to do battle."
"Understanding a question is half an answer."

I have learned more by being wrong, than I have by being right. :-)
Attachments:

Please Log in or Create an account to join the conversation.

  • Baraka
  • Baraka's Avatar Topic Author
  • Offline
  • Junior Member
  • Junior Member
More
8 years 6 months ago #13519 by Baraka
Replied by Baraka on topic 2015 toyota corolla altis keyless entry
can i take a look at the complete starting system,my mistake is a toyota corolla altis 2015

Please Log in or Create an account to join the conversation.

  • Chad
  • Chad's Avatar
  • Offline
  • Moderator
  • Moderator
  • I am not a parts changer.
More
8 years 6 months ago - 8 years 6 months ago #13520 by Chad
Replied by Chad on topic 2015 toyota corolla altis keyless entry

"Knowledge is a weapon. Arm yourself, well, before going to do battle."
"Understanding a question is half an answer."

I have learned more by being wrong, than I have by being right. :-)
Attachments:
Last edit: 8 years 6 months ago by Chad.

Please Log in or Create an account to join the conversation.

  • Baraka
  • Baraka's Avatar Topic Author
  • Offline
  • Junior Member
  • Junior Member
More
8 years 6 months ago #13521 by Baraka
Replied by Baraka on topic 2015 toyota corolla altis keyless entry
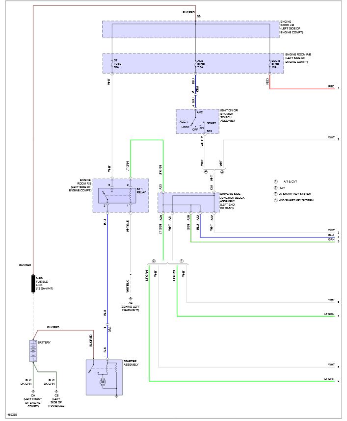
is this the [push to start] diagram

Please Log in or Create an account to join the conversation.

  • Chad
  • Chad's Avatar
  • Offline
  • Moderator
  • Moderator
  • I am not a parts changer.
More
8 years 6 months ago #13525 by Chad
Replied by Chad on topic 2015 toyota corolla altis keyless entry
It is and All-in-One diagram. With and Without Smartkey. Automatic and Manual transmission.

"Knowledge is a weapon. Arm yourself, well, before going to do battle."
"Understanding a question is half an answer."

I have learned more by being wrong, than I have by being right. :-)

Please Log in or Create an account to join the conversation.

  • Baraka
  • Baraka's Avatar Topic Author
  • Offline
  • Junior Member
  • Junior Member
More
8 years 6 months ago #13527 by Baraka
Replied by Baraka on topic 2015 toyota corolla altis keyless entry
thanks pole keep you posted

Please Log in or Create an account to join the conversation.

  • cheryl hartkorn
  • cheryl hartkorn's Avatar
  • Offline
  • Platinum Member
  • Platinum Member
More
8 years 6 months ago #13529 by cheryl hartkorn
Replied by cheryl hartkorn on topic 2015 toyota corolla altis keyless entry
so its a no crank when pushing the button??

Please Log in or Create an account to join the conversation.

  • cheryl hartkorn
  • cheryl hartkorn's Avatar
  • Offline
  • Platinum Member
  • Platinum Member
More
8 years 6 months ago #13530 by cheryl hartkorn
Replied by cheryl hartkorn on topic 2015 toyota corolla altis keyless entry
also any dtc's?

Please Log in or Create an account to join the conversation.

  • Baraka
  • Baraka's Avatar Topic Author
  • Offline
  • Junior Member
  • Junior Member
More
8 years 6 months ago #13533 by Baraka
Replied by Baraka on topic 2015 toyota corolla altis keyless entry
you can't get a dtcs cause we are already on an offline mode no KOEO

Please Log in or Create an account to join the conversation.

  • Baraka
  • Baraka's Avatar Topic Author
  • Offline
  • Junior Member
  • Junior Member
More
8 years 5 months ago #13727 by Baraka
Replied by Baraka on topic 2015 toyota corolla altis keyless entry
Pole I did a complete check on the starting system it all seens fine I think am having an IG problem can I have the complete ignition diagram IG relay and IG fuse ain't having power........

Please Log in or Create an account to join the conversation.

  • Chad
  • Chad's Avatar
  • Offline
  • Moderator
  • Moderator
  • I am not a parts changer.
More
8 years 5 months ago #13755 by Chad
Replied by Chad on topic 2015 toyota corolla altis keyless entry

chuks.chigozie wrote: can I have the complete ignition diagram


It is 7 pages. PM me with your Email address.

"Knowledge is a weapon. Arm yourself, well, before going to do battle."
"Understanding a question is half an answer."

I have learned more by being wrong, than I have by being right. :-)

Please Log in or Create an account to join the conversation.

  • Baraka
  • Baraka's Avatar Topic Author
  • Offline
  • Junior Member
  • Junior Member
More
8 years 5 months ago #13756 by Baraka
Replied by Baraka on topic 2015 toyota corolla altis keyless entry
Chuksihemere14@gmail.com

Please Log in or Create an account to join the conversation.

  • Chad
  • Chad's Avatar
  • Offline
  • Moderator
  • Moderator
  • I am not a parts changer.
More
8 years 5 months ago #13764 by Chad
Replied by Chad on topic 2015 toyota corolla altis keyless entry
What is the 8th digit of the VIN?

"Knowledge is a weapon. Arm yourself, well, before going to do battle."
"Understanding a question is half an answer."

I have learned more by being wrong, than I have by being right. :-)

Please Log in or Create an account to join the conversation.

  • Baraka
  • Baraka's Avatar Topic Author
  • Offline
  • Junior Member
  • Junior Member
More
8 years 5 months ago - 8 years 5 months ago #13769 by Baraka
Replied by Baraka on topic 2015 toyota corolla altis keyless entry
I can't provied that for now am at home already just send me the diagram I will figure the rest out on my own thanks a lot going for that VIN will take too much of my time
Last edit: 8 years 5 months ago by Baraka.

Please Log in or Create an account to join the conversation.

Time to create page: 0.398 seconds