Help us help you. By posting the year, make, model and engine near the beginning of your help request, followed by the symptoms (no start, high idle, misfire etc.) Along with any prevalent Diagnostic Trouble Codes, aka DTCs, other forum members will be able to help you get to a solution more quickly and easily!

Turns over, no start, no spark, no dtc’s

  • Buckeye57
  • Buckeye57's Avatar Topic Author
  • Offline
  • Junior Member
  • Junior Member
More
1 year 5 months ago #66213 by Buckeye57
2006 Subaru Baja sport, 2.5L normally aspirated.

The issue with the vehicle was that it stalled intermittently. It would restart and I could continue driving. This started shortly after the CEL came on.

Things I have done since are as follows:

Had a no spark condition, replaced coil pack. Vehicle started and headed home. It broke down again with the same issue after 12 miles. I put the old coil back on and it was fixed, so I thought.

Bought a scanner and went on a test drive to see if I could see anything. It broke down again and and would not restart. Had it towed to a shop.

The shop replaced the coil pack. A day later it broke down. Towed again.

A local shop has replaced the coil pack with a OEM coil pack.

I made it 2.5 miles before it stalled again. I got it started again, and made it back home.

I originally had one dtc. P0030 O2 heater circuit before any of the coils were replaced.
I tested the A/F O2 sensor and read 870 ohms across it. I replaced it, and the code cleared.

I ran the car for 20 minutes and the engine stalled. I restarted it and 3 minutes later rpm dropped to 300 rpm. The engine sounded like an old carbureted car that would diesel after shutdown. The engine recovered, and I noticed a black cloud out the back of the truck. It then died again.

Engine turns over, no start. Checked spark, no spark. CEL lit back up.

Scanner showed P0340, I used the OEM manual to diagnose this. I found high resistance in the ground circuit. Traced it down to a harness connector between ECU and CMP connector. Cleaned contacts and this cleared the code.

Now I am stuck. Still turns over, no start, and I checked spark again. No spark.

Additional information:
- Fuel pressure gage attached and measured a steady 35 psi, even through a stall and shutdown.
- I had an inductive rpm gauge connected to Left front plug wire.
- I had my scanner plugged in.
- mileage 124k

 

Please Log in or Create an account to join the conversation.

More
1 year 5 months ago #66223 by Monde
Replied by Monde on topic Turns over, no start, no spark, no dtc’s
Do you have injector pulse? It may just be the cam or crank sensors going bad. I would just ohm them out to see if they are not open.

Assuming is never a good thing.

Please Log in or Create an account to join the conversation.

  • Buckeye57
  • Buckeye57's Avatar Topic Author
  • Offline
  • Junior Member
  • Junior Member
More
1 year 5 months ago #66224 by Buckeye57
Replied by Buckeye57 on topic Turns over, no start, no spark, no dtc’s
I removed both of them and they both checked good. Connected a VOM and passed a ratchet head passed them and had identical readings on a scope. Checked harness for problems, nothing was found.

Please Log in or Create an account to join the conversation.

More
1 year 5 months ago #66228 by Monde
Replied by Monde on topic Turns over, no start, no spark, no dtc’s
Did you check for power, ground and control to the ignition coil? It is a 4 pin coil, right?

Assuming is never a good thing.

Please Log in or Create an account to join the conversation.

  • Buckeye57
  • Buckeye57's Avatar Topic Author
  • Offline
  • Junior Member
  • Junior Member
More
1 year 5 months ago #66234 by Buckeye57
Replied by Buckeye57 on topic Turns over, no start, no spark, no dtc’s
Yes, it’s a four pin plug to center pins are power and ground. The other ones with the trigger.
Yesterday I checked the ignition control circuit again. Installed my spark tester and held the throttle To the floor as per the troubleshooting chart and it started. It ran for 10 minutes and then stalled Like a carbureted car dieseling after shutdown. I had the scanner connected and no codes showed up.

Please Log in or Create an account to join the conversation.

More
1 year 5 months ago #66235 by Monde
Replied by Monde on topic Turns over, no start, no spark, no dtc’s
If you are only losing spark, the focus needs to be on the ignition coil an ignitor circuitry. If you can get the vehicle to start again, can you monitor the two wires going to the ECM until it dies to see if they drop before stalling? That will require a scope.

Assuming is never a good thing.

Please Log in or Create an account to join the conversation.

  • Buckeye57
  • Buckeye57's Avatar Topic Author
  • Offline
  • Junior Member
  • Junior Member
More
1 year 5 months ago #66246 by Buckeye57
Replied by Buckeye57 on topic Turns over, no start, no spark, no dtc’s
I borrowed a Solus Edge and I think I spotted the problem. I attached a screenshot. Would I be correct in saying the CPS is defective? Shouldn’t it be showing a squarewave all the time?

At higher rpm’s the signal would have large gaps. At idle more would show up.

Please Log in or Create an account to join the conversation.

  • Buckeye57
  • Buckeye57's Avatar Topic Author
  • Offline
  • Junior Member
  • Junior Member
More
1 year 5 months ago #66247 by Buckeye57
Replied by Buckeye57 on topic Turns over, no start, no spark, no dtc’s
 

Please Log in or Create an account to join the conversation.

More
1 year 5 months ago #66248 by Monde
Replied by Monde on topic Turns over, no start, no spark, no dtc’s
Both signals look kind of weird, but crank looks worse.
Usually with a crank or cam sensor issue, you lose both spark and injection pulse. Are you missing injection pulse as well?

Assuming is never a good thing.

Please Log in or Create an account to join the conversation.

  • Buckeye57
  • Buckeye57's Avatar Topic Author
  • Offline
  • Junior Member
  • Junior Member
More
1 year 5 months ago #66249 by Buckeye57
Replied by Buckeye57 on topic Turns over, no start, no spark, no dtc’s
No

Please Log in or Create an account to join the conversation.

  • Buckeye57
  • Buckeye57's Avatar Topic Author
  • Offline
  • Junior Member
  • Junior Member
More
1 year 5 months ago #66250 by Buckeye57
Replied by Buckeye57 on topic Turns over, no start, no spark, no dtc’s
I replaced the crank sensor and I ran it for 30 min and didn’t have any issues. I plan to go for a drive in the morning around the neighborhood with the Solex plugged in.
The following user(s) said Thank You: Noah

Please Log in or Create an account to join the conversation.

More
1 year 5 months ago #66251 by Monde
Replied by Monde on topic Turns over, no start, no spark, no dtc’s
Hopefully, this will be a fix.

Assuming is never a good thing.

Please Log in or Create an account to join the conversation.

  • Buckeye57
  • Buckeye57's Avatar Topic Author
  • Offline
  • Junior Member
  • Junior Member
More
1 year 5 months ago #66257 by Buckeye57
Replied by Buckeye57 on topic Turns over, no start, no spark, no dtc’s
No such luck. Drove it around and had one hiccup, then ran fine. Went back home and let it idle. It shut off. I restarted it and it shut off after 2 min. Scanner showed injector pulse, both CKP and CMP signals.

Please Log in or Create an account to join the conversation.

More
1 year 5 months ago - 1 year 5 months ago #66263 by Monde
Replied by Monde on topic Turns over, no start, no spark, no dtc’s
I would monitor the coil and its circuit for dropouts before the vehicle stalls. that way, you would know if you have a defective new coil, a wiring issue or an ECM issue. I don't really know what else it could be.

We also need to make sure that we are not losing fuel pressure before the stalling.

Assuming is never a good thing.
Last edit: 1 year 5 months ago by Monde.

Please Log in or Create an account to join the conversation.

  • Buckeye57
  • Buckeye57's Avatar Topic Author
  • Offline
  • Junior Member
  • Junior Member
More
1 year 5 months ago #66264 by Buckeye57
Replied by Buckeye57 on topic Turns over, no start, no spark, no dtc’s
The Solis lists a number of items that would cause a no start. I checked most of what was on the list earlier. One thing that does not Match the manual is intake air temperature sensor. I measured 2.3 V book says 3.1 to 3.4 Other items listed that I haven’t checked yet is EGR valve intake, air valve, and PCV valve. Would any of those cause my problem?

Please Log in or Create an account to join the conversation.

More
1 year 5 months ago #66267 by Monde
Replied by Monde on topic Turns over, no start, no spark, no dtc’s
Even if they were to cause a no start, they wound not cause the no spark condition. Until we find the reason for the no spark, we won't be able to fix the vehicle.

Assuming is never a good thing.

Please Log in or Create an account to join the conversation.

  • Buckeye57
  • Buckeye57's Avatar Topic Author
  • Offline
  • Junior Member
  • Junior Member
More
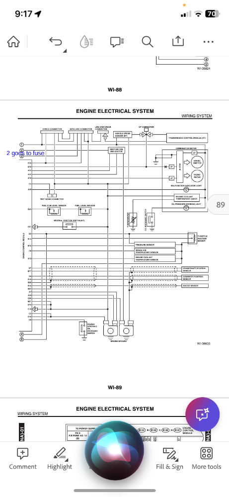
1 year 5 months ago - 1 year 5 months ago #66270 by Buckeye57
Replied by Buckeye57 on topic Turns over, no start, no spark, no dtc’s
LOL, I watched that video yesterday.
I have attached a engine schematic.
 
Last edit: 1 year 5 months ago by Buckeye57. Reason: Add picture

Please Log in or Create an account to join the conversation.

More
1 year 5 months ago - 1 year 5 months ago #66272 by Monde
Replied by Monde on topic Turns over, no start, no spark, no dtc’s
Does this happen to be your ignition coil and ignitor wiring diagram?

Has your car been a crank no start since you replaced the crank sensor or has it been intermittently starting? Have you ever tried scoping the 4 wires going to the coil doing cranking or before stalling?

Assuming is never a good thing.
Attachments:
Last edit: 1 year 5 months ago by Monde.

Please Log in or Create an account to join the conversation.

  • Buckeye57
  • Buckeye57's Avatar Topic Author
  • Offline
  • Junior Member
  • Junior Member
More
1 year 5 months ago #66273 by Buckeye57
Replied by Buckeye57 on topic Turns over, no start, no spark, no dtc’s
Yes, that contains the coil pack wiring.
The Solus Edge is the only thing I borrowed that works. The Snap On Vantage I borrowed is inop. What would you recommend for a low budget scope?

Please Log in or Create an account to join the conversation.

  • Buckeye57
  • Buckeye57's Avatar Topic Author
  • Offline
  • Junior Member
  • Junior Member
More
1 year 5 months ago #66274 by Buckeye57
Replied by Buckeye57 on topic Turns over, no start, no spark, no dtc’s
Sorry, since the crank sensor it has been intermittent start. The crank no start happens after it warms up so far but very intermittently.

Please Log in or Create an account to join the conversation.

Time to create page: 0.423 seconds