Help us help you. By posting the year, make, model and engine near the beginning of your help request, followed by the symptoms (no start, high idle, misfire etc.) Along with any prevalent Diagnostic Trouble Codes, aka DTCs, other forum members will be able to help you get to a solution more quickly and easily!
Mustang 3.7L ignition problem? no crank, no start.
- klaudijus.klaudijus
-
Topic Author
- Offline
- New Member
-
Less
More
- Posts: 3
- Thank you received: 0
1 year 7 months ago #65753
by klaudijus.klaudijus
Mustang 3.7L ignition problem? no crank, no start. was created by klaudijus.klaudijus
Hi. Im having a problem with Ford
Mustang 3.7L
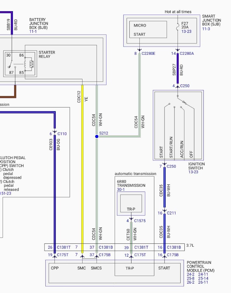
, automatic transmission, 2012yr., problems. The first problem was- no sound coming from speakers, radio not turning on. Checked the radio power and grounds- disconnected, cleaned, connected again the radio connectors- radio somehow works again! But noticed other problem- when I turn the ignition ON, the audio comes on only after ~15sec., also the same thing for the air blower and shifter shift lock- have to wait for about 15 sec., for all work. But the car starts- everything seem to be ok. So once again I checked all fuses, power and grounds- all seems to be in place and noticed that battery charge going low. Charged up the battery and contiuned to work... Tried to start the car- starter wont work! Now the car is in no crank no start condition. Checked the starter relay- power and grounds OK, the negative control side from the PCM (relay pin 85) is OK, but the positive control side (relay pin 86) is not OK- no control on this pin. So I checked fuses all again- all fuses okay except fuse in GEM/SJB #28(audio mute)- no voltage, but when I give 12V on this fuse, the starter works- but car wont start! I tried to change GEM/SJB module- no luck. Also- no PATS light, only weird thing and fault I have, that was not before- b2a20-60, b2844-60 (ignition stuck in start), the ignition itsefl is OK, I checked. What else I'm missing? What could be causing all this? And could someone tell me about green/white wire coming from PCM and GEM/SJB to starter relay- is 12volts coming from PCM or GEM/SJB? Thanks..
Please Log in or Create an account to join the conversation.
- Monde
-
- Offline
- Elite Member
-
Less
More
- Posts: 220
- Thank you received: 43
1 year 7 months ago #65761
by Monde
Assuming is never a good thing.
Replied by Monde on topic Mustang 3.7L ignition problem? no crank, no start.
When the PCM receives a start request signal when the key is in the start position, it provides power and ground to the starter relay. Do you get 12v on pin 86 and ground at pin 85?
Assuming is never a good thing.
Please Log in or Create an account to join the conversation.
- klaudijus.klaudijus
-
Topic Author
- Offline
- New Member
-
Less
More
- Posts: 3
- Thank you received: 0
1 year 7 months ago #65762
by klaudijus.klaudijus
Replied by klaudijus.klaudijus on topic Mustang 3.7L ignition problem? no crank, no start.
Only ground on pin 85. No 12V on pin 86.
Please Log in or Create an account to join the conversation.
- Monde
-
- Offline
- Elite Member
-
Less
More
- Posts: 220
- Thank you received: 43
1 year 7 months ago - 1 year 7 months ago #65763
by Monde
Assuming is never a good thing.
Replied by Monde on topic Mustang 3.7L ignition problem? no crank, no start.
Check the voltage that comes out of the SJB i with key in Start position.
Assuming is never a good thing.
Last edit: 1 year 7 months ago by Monde.
Please Log in or Create an account to join the conversation.
- klaudijus.klaudijus
-
Topic Author
- Offline
- New Member
-
Less
More
- Posts: 3
- Thank you received: 0
1 year 7 months ago #65766
by klaudijus.klaudijus
Replied by klaudijus.klaudijus on topic Mustang 3.7L ignition problem? no crank, no start.
No voltage from the sjb to the pin 86. Also, what I noticed, that there is no voltage at sjb fuse 28. When i feed 12v to the pin 8 at sjb- cars starts.
Please Log in or Create an account to join the conversation.
- Monde
-
- Offline
- Elite Member
-
Less
More
- Posts: 220
- Thank you received: 43
1 year 7 months ago #65771
by Monde
Assuming is never a good thing.
Replied by Monde on topic Mustang 3.7L ignition problem? no crank, no start.
Fuse# 28 feeds the Audio Control Module and # 8, some low beam. The SI I use does not show any other circuits these fuses feed. I am hoping that someone with a different Service Information can step in and assist in fixing the car.
Assuming is never a good thing.
Please Log in or Create an account to join the conversation.
Time to create page: 0.291 seconds