Help us help you. By posting the year, make, model and engine near the beginning of your help request, followed by the symptoms (no start, high idle, misfire etc.) Along with any prevalent Diagnostic Trouble Codes, aka DTCs, other forum members will be able to help you get to a solution more quickly and easily!

2010 Cadillac CTS4 3.0L sedan

  • Antoniochaidez155@gmail.com
  • Antoniochaidez155@gmail.com's Avatar Topic Author
  • Offline
  • New Member
  • New Member
More
2 years 3 months ago #64101 by Antoniochaidez155@gmail.com
2010 Cadillac CTS4 3.0L sedan was created by Antoniochaidez155@gmail.com
I’m dealing with a CTS with no communication issues and no start I have 120ohms between pins 6 and 14 on the DLC when I disconnect the fuel pump control module in the trunk it goes up to 7.4 KOhms when I jump the positive and negative high and low speed GMLAN wires on the fuel pump control module it drops down to 0.95 Ohms I thought the car would start at this point help please
 

Please Log in or Create an account to join the conversation.

  • Chad
  • Chad's Avatar
  • Offline
  • Moderator
  • Moderator
  • I am not a parts changer.
More
2 years 3 months ago - 2 years 3 months ago #64103 by Chad
Replied by Chad on topic 2010 Cadillac CTS4 3.0L sedan
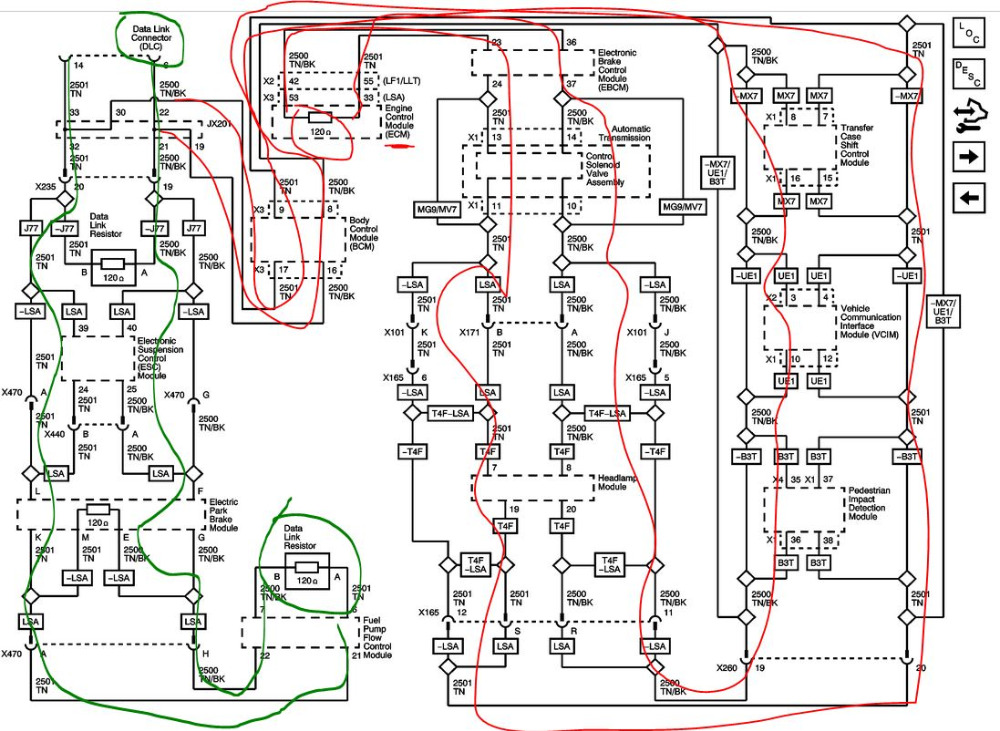
As I'm sure you know, the network contains two 120 Ω terminating resistors. One at each end of the network. With two 120 Ω resistors, in parallel, the total resistance of the network should be 60 Ω. A reading of 120 Ω Indicates that there is an open, somewhere, in the network. According to the diagram,
 

This browser does not support PDFs. Please download the PDF to view it: Download PDF


one of the resistors is external, and downstream of the Fuel Pump Control module.
The other is in the ECM. Since you can see the change when you disconnect the fuel pump control module, the external resistor downstream of the Fuel Pump Control module is not the resistor that is missing. This means that the resistor in the ECM is the one that is missing. This could be due to any module between the DLC and the ECM being disconnected, or a break in the wiring harness.

The problem could be anywhere in RED.
 

Check to make sure all of the module connectors are completely fastened.
 

"Knowledge is a weapon. Arm yourself, well, before going to do battle."
"Understanding a question is half an answer."

I have learned more by being wrong, than I have by being right. :-)
Last edit: 2 years 3 months ago by Chad.
The following user(s) said Thank You: Noah

Please Log in or Create an account to join the conversation.

Time to create page: 0.282 seconds