Help us help you. By posting the year, make, model and engine near the beginning of your help request, followed by the symptoms (no start, high idle, misfire etc.) Along with any prevalent Diagnostic Trouble Codes, aka DTCs, other forum members will be able to help you get to a solution more quickly and easily!
No ECM communication
- am9203623.mughal
-
Topic Author
- Offline
- New Member
-
Less
More
- Posts: 10
- Thank you received: 0
2 years 1 week ago #64040
by am9203623.mughal
No ECM communication was created by am9203623.mughal
Chevrolet traverse 2016 model No Crank No Start DTC U0100 No communication with Ecm Check power and ground & can bus communication all good۔connector x1 pin 52 Red wht battery pos vol good 12 volt۔x1 Connector pin 51 pnk run crank ign 1 volt good ignition 12 volt۔x1 Connector pin 70 DK blue accessory wake up serial data good 12 volt۔x1 Connector pin 39 & 40 can Network good communication۔x3 Connector pin 73 blk/wht ground good ground۔x2 Connector pin 73 blk/wht ground good good۔I have checked properly.Let me know if there is any missing۔If true, it means the ECM is faulty
Please Log in or Create an account to join the conversation.
- Tyler
-
- Offline
- Moderator
-
- Full time HACK since 2012
Less
More
- Posts: 6064
- Thank you received: 1531
2 years 1 week ago #64041
by Tyler
Replied by Tyler on topic No ECM communication
am9203623.mughal, I moved your post to its own thread for better visibility.
Is the ECM the only module on the HS-CAN that doesn't communicate? What is the HS-CAN termination resistance measured across pins 6 and 14 at the DLC?
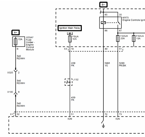
I didn't see that you'd checked Connector X1, pin 73 circuit 5290 for power at the ECM:
Is the ECM the only module on the HS-CAN that doesn't communicate? What is the HS-CAN termination resistance measured across pins 6 and 14 at the DLC?
I didn't see that you'd checked Connector X1, pin 73 circuit 5290 for power at the ECM:
Please Log in or Create an account to join the conversation.
- am9203623.mughal
-
Topic Author
- Offline
- New Member
-
Less
More
- Posts: 10
- Thank you received: 0
2 years 1 week ago - 2 years 1 week ago #64048
by am9203623.mughal
Replied by am9203623.mughal on topic No ECM communication
I have checked۔It has no power۔Engine Control ignition relay not turning on.x1 Connector pin 72 yellow 5991 Engine Control ignition relay ground side switch circuit but all time 12 volt ECM not Energize the relay ۔But I have seen them by the test light.The relay turns on۔x1 Connector pin 73 And 12 volts goes into this wire۔But still the ECM does not communicate۔
Last edit: 2 years 1 week ago by am9203623.mughal.
Please Log in or Create an account to join the conversation.
- am9203623.mughal
-
Topic Author
- Offline
- New Member
-
Less
More
- Posts: 10
- Thank you received: 0
2 years 1 week ago #64049
by am9203623.mughal
Replied by am9203623.mughal on topic No ECM communication
DLC Connector pin 6 & 14 60 ohm good resistance
Please Log in or Create an account to join the conversation.
Time to create page: 0.262 seconds