Help us help you. By posting the year, make, model and engine near the beginning of your help request, followed by the symptoms (no start, high idle, misfire etc.) Along with any prevalent Diagnostic Trouble Codes, aka DTCs, other forum members will be able to help you get to a solution more quickly and easily!
2008 Tahoe 5.3 vin 0 cam crank pattern??
- JoesAutoElectric
-
Topic Author
- Offline
- Senior Member
-
8 years 10 months ago #9592
by JoesAutoElectric
"The man who says it cannot be done should not interrupt the man doing it."
2008 Tahoe 5.3 vin 0 cam crank pattern?? was created by JoesAutoElectric
As the title says guys. I have this truck in here and cannot find a known good pattern anywhere. I believe the chain is stretched or tensioner is failing b
ut can't prove it. Can anyone assist?
"The man who says it cannot be done should not interrupt the man doing it."
Please Log in or Create an account to join the conversation.
- gav09
-
- Offline
- Senior Member
-
Less
More
- Posts: 60
- Thank you received: 24
8 years 10 months ago #9599
by gav09
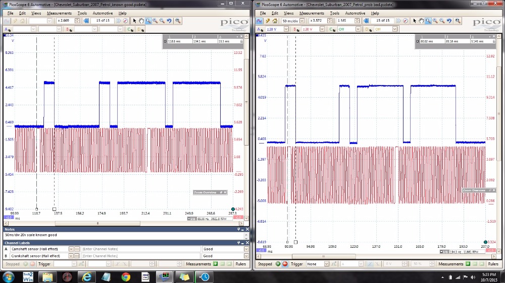
Replied by gav09 on topic 2008 Tahoe 5.3 vin 0 cam crank pattern??
The following user(s) said Thank You: Tyler
Please Log in or Create an account to join the conversation.
- gav09
-
- Offline
- Senior Member
-
Less
More
- Posts: 60
- Thank you received: 24
8 years 10 months ago #9600
by gav09
Replied by gav09 on topic 2008 Tahoe 5.3 vin 0 cam crank pattern??
The one on the left is the known good.
Please Log in or Create an account to join the conversation.
Time to create page: 0.265 seconds