*** Restricting New Posts to SD Premium Members ONLY *** (09 May 2025)

Just made a new account? Can't post? Click above.

A place to discuss hardware/software and diagnostic procedures

Outside of the United States and Mitchell Wiring Diagrams

  • Farseer
  • Farseer's Avatar Topic Author
  • Offline
  • Junior Member
  • Junior Member
More
2 months 2 weeks ago #92308 by Farseer
Hi, all.

I was wondering if anybody outside of the United State/Canada has ever managed to get access to those wonderful Mitchell wiring diagrams?

I see that everyone from ScannerDanner himself, SuperMario, Pine Hollow, to Advanced Level Diagnose etc. all use them. You guys in the US are lucky, indeed!

Perhaps anybody used a VPN to trick the system into thinking they are currently logged on somewhere from the US? I haven;t tried because I'm not that VPN savvy.

Europe has it's own version of AllData, true, but the wiring diagrams are OEM based and not at all the same (even though there is merit to using OEM but I'm just obsessed with the Mitchell ones.

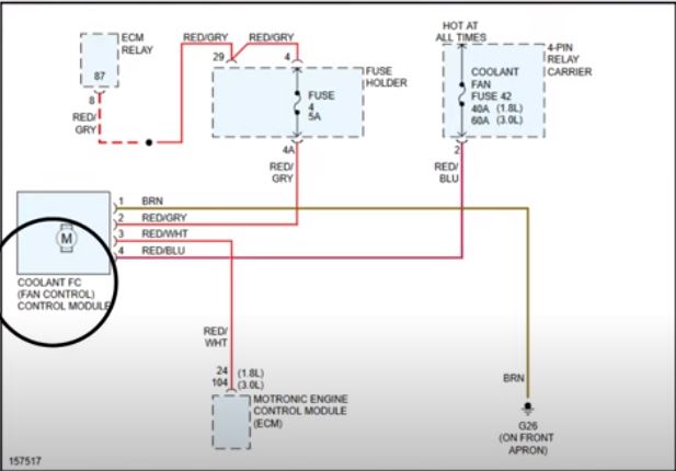
Like, look at the one attached. Need I say more? lol.

But if anybody could chime in would be great, would love to get those diagrams.
Attachments:

Please Log in or Create an account to join the conversation.

  • Noah
  • Noah's Avatar
  • Offline
  • Moderator
  • Moderator
  • Give code definitions with numbers!
More
2 months 1 week ago #92310 by Noah
I'm pretty sure Mechanic Mindset in UK has access to these diagrams via alldata

"Ground cannot be checked with a 10mm socket"

Please Log in or Create an account to join the conversation.

Time to create page: 0.253 seconds