*** Restricting New Posts to SD Premium Members ONLY *** (09 May 2025)
Just made a new account? Can't post? Click above.
Help us help you. By posting the year, make, model and engine near the beginning of your help request, followed by the symptoms (no start, high idle, misfire etc.) Along with any prevalent Diagnostic Trouble Codes, aka DTCs, other forum members will be able to help you get to a solution more quickly and easily!
Lexus (Toyota) dimmer switch and headlight loom testing
- timoc
-
Topic Author
- Offline
- New Member
-
Less
More
- Posts: 5
- Thank you received: 0
4 years 4 months ago #50642
by timoc
Lexus (Toyota) dimmer switch and headlight loom testing was created by timoc
2001 Lexus IS200 (Like the IS300 but with a 2.0L straight 6)
Hey all! I am extremely confused by the issue I'm troubleshooting at the moment, so much that I tried to actually go to the main dealer.. who doesn't have a service slot for a few weeks. So I'm hoping this community can help me help myself.
Everything except my low beam headlights is functioning perfectly, including a bunch of stuff operated by or dependent on the same switch pole such as parking lights, fascia lights, foglights, tail lights, and that warning buzzer that sounds if you remove your key without turning the lights off. It's a very simple circuit as I have no HIDs or DRLs to worry about and no automatic lights either. So it's just a switch, a main headlight relay and some fuses.
I have tested the relay, fuses and switch and found all to be in spec. I also swapped out the bulbs and switch with no success even after bench testing them all to confirm that they work. I have also found continuity between the fuse and the headlight plug, so that just leaves the loom between the switch and the fusebox to test.
I'd like to figure out what switch inputs and outputs should have power in each position so I can backprobe it installed in the car and test for continuity on the loom itself. problem is, the toyota switch diagrams are nonsense so I can't figure out what I'm expecting on each of the three settings. Can anyone help me understand?
Hey all! I am extremely confused by the issue I'm troubleshooting at the moment, so much that I tried to actually go to the main dealer.. who doesn't have a service slot for a few weeks. So I'm hoping this community can help me help myself.
Everything except my low beam headlights is functioning perfectly, including a bunch of stuff operated by or dependent on the same switch pole such as parking lights, fascia lights, foglights, tail lights, and that warning buzzer that sounds if you remove your key without turning the lights off. It's a very simple circuit as I have no HIDs or DRLs to worry about and no automatic lights either. So it's just a switch, a main headlight relay and some fuses.
I have tested the relay, fuses and switch and found all to be in spec. I also swapped out the bulbs and switch with no success even after bench testing them all to confirm that they work. I have also found continuity between the fuse and the headlight plug, so that just leaves the loom between the switch and the fusebox to test.
I'd like to figure out what switch inputs and outputs should have power in each position so I can backprobe it installed in the car and test for continuity on the loom itself. problem is, the toyota switch diagrams are nonsense so I can't figure out what I'm expecting on each of the three settings. Can anyone help me understand?
Please Log in or Create an account to join the conversation.
- Matt T
-
- Offline
- Platinum Member
-
Less
More
- Posts: 751
- Thank you received: 276
4 years 4 months ago #50647
by Matt T
Replied by Matt T on topic Lexus (Toyota) dimmer switch and headlight loom testing
Do the high beams work with the lights on? Or just with flash?
Please Log in or Create an account to join the conversation.
- timoc
-
Topic Author
- Offline
- New Member
-
Less
More
- Posts: 5
- Thank you received: 0
4 years 4 months ago #50649
by timoc
Replied by timoc on topic Lexus (Toyota) dimmer switch and headlight loom testing
Hi, yes the high beams work both normally and flash. The low beams work on neither (I believe flash should active both?)
I plan on backprobing it tomorrow to see what outputs get power on low beam setting. But I need something to compare my findings to
Thanks for your help!
I plan on backprobing it tomorrow to see what outputs get power on low beam setting. But I need something to compare my findings to
Thanks for your help!
Please Log in or Create an account to join the conversation.
- Matt T
-
- Offline
- Platinum Member
-
Less
More
- Posts: 751
- Thank you received: 276
4 years 4 months ago #50652
by Matt T
Replied by Matt T on topic Lexus (Toyota) dimmer switch and headlight loom testing
Please Log in or Create an account to join the conversation.
- timoc
-
Topic Author
- Offline
- New Member
-
Less
More
- Posts: 5
- Thank you received: 0
4 years 4 months ago #50661
by timoc
Replied by timoc on topic Lexus (Toyota) dimmer switch and headlight loom testing
I found that I have battery voltage on the high power side of the relay at all times, and have voltage at the switch side at the 'off' position (about 6v) and at the full beam position. At the low beam position I have no voltage at the switching side.
I did also find continuity between high power relay ground pin and headlight plug via the fuse. So the loom itself is fine at least between the relay and the headlight.
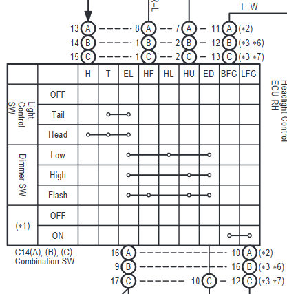
Having tested the pins on the light switch, I didn't find any pin that got battery voltage on low beam only. Most pins had the same state for all switch positions except for a reb/blue striped wire which gets battery voltage only at the 'off' position, and a blue/white striped wire which gets power at both 'lo' and 'hi' positions. Blue/white appears to be for the rear foglights but I wish I knew what the acronyms along the top of the truth table represented.
In the truth table, the circuits that should be completed when the dimmer is on the 'lo' position are EL, HL and ED. What are these and why are they not showing any circuit in the diagram?
I did also find continuity between high power relay ground pin and headlight plug via the fuse. So the loom itself is fine at least between the relay and the headlight.
Having tested the pins on the light switch, I didn't find any pin that got battery voltage on low beam only. Most pins had the same state for all switch positions except for a reb/blue striped wire which gets battery voltage only at the 'off' position, and a blue/white striped wire which gets power at both 'lo' and 'hi' positions. Blue/white appears to be for the rear foglights but I wish I knew what the acronyms along the top of the truth table represented.
In the truth table, the circuits that should be completed when the dimmer is on the 'lo' position are EL, HL and ED. What are these and why are they not showing any circuit in the diagram?
Please Log in or Create an account to join the conversation.
- jreardon
-
- Offline
- Platinum Member
-
Less
More
- Posts: 520
- Thank you received: 198
4 years 4 months ago #50662
by jreardon
Replied by jreardon on topic Lexus (Toyota) dimmer switch and headlight loom testing
I wish I knew what the acronyms along the top of the truth table represented:
I think they are terminal designations at the ECU. When the combo switch is set low, that means the HL terminal at the ECU gets a ground, which is what EL & ED are.
I've attached a snippet from a manual from another car I found off of google. I wish I could find the one that pertains to your car. I'll keep looking.
I think they are terminal designations at the ECU. When the combo switch is set low, that means the HL terminal at the ECU gets a ground, which is what EL & ED are.
I've attached a snippet from a manual from another car I found off of google. I wish I could find the one that pertains to your car. I'll keep looking.
Please Log in or Create an account to join the conversation.
- timoc
-
Topic Author
- Offline
- New Member
-
Less
More
- Posts: 5
- Thank you received: 0
4 years 4 months ago #50664
by timoc
Replied by timoc on topic Lexus (Toyota) dimmer switch and headlight loom testing
Thanks! I didn't see any reference to an ecu in the wiring diagrams for my model but it's definitely the same acronyms. Plus I know this model had a theft control ecu which can affect headlights at least on versions fitted with automatic lighting. I didn't think it affected non-automatic lighting versions.
So rather than trying to find exact pinouts, would I be right to say that if I ground the correct backprobed signal wire from switch directly to a good chassis ground, I will activate the circuit by skipping whatever the problem component is?
So rather than trying to find exact pinouts, would I be right to say that if I ground the correct backprobed signal wire from switch directly to a good chassis ground, I will activate the circuit by skipping whatever the problem component is?
Please Log in or Create an account to join the conversation.
- timoc
-
Topic Author
- Offline
- New Member
-
Less
More
- Posts: 5
- Thank you received: 0
4 years 4 months ago #50665
by timoc
Replied by timoc on topic Lexus (Toyota) dimmer switch and headlight loom testing
Well, something I did resolved the issue. I decided to reinstall the relay to see if I couldn't activate the circuit by manually grounding the pins that received power on the low beam setting. I had also inspected all the chassis plugs that had anything to do with grounding as some other owners mentioned discovering corrosion there.
Something I prodded clearly needed to be reseated as a final test after reassembly has my low beams working again as if nothing ever happened. I did replace the switch and prior to doing so they didn't work in any position, so who knows what was the original cause at this point. Maybe backprobing reseated one of the wires.
Thanks for eveyone's help, I learnt a lot about Toyota wiring in the past week haha!
Something I prodded clearly needed to be reseated as a final test after reassembly has my low beams working again as if nothing ever happened. I did replace the switch and prior to doing so they didn't work in any position, so who knows what was the original cause at this point. Maybe backprobing reseated one of the wires.
Thanks for eveyone's help, I learnt a lot about Toyota wiring in the past week haha!
Please Log in or Create an account to join the conversation.
Time to create page: 0.299 seconds